Содержание
- 1 Центральный замок – схема, установка, подключение + видео
- 2 Описание центрального замка и его блока, инструкция по установке своими руками
- 3 Как установить центральный замок в машину — комфорт за копейки
- 3.1 Важные параметры и функции центрального замка
- 3.2 Принцип работы ЦЗ
- 3.3 Необходимый инструмент
- 3.4 Первый этап
- 3.5 1. Демонтаж дверных панелей
- 3.6 2. Выбираем место для установки
- 3.7 3. Установка активатора
- 3.8 4. Закрепление активатора к тяге замка
- 3.9 5. Протягивание проводов
- 3.10 Второй этап
- 3.11 1. Снимаем приборную панель
- 3.12 2. Демонтаж старых проводов
- 3.13 3. Подключение проводов активатора
- 3.14 4. Прокладывание проводов
- 3.15 5. Установка проходной трубки
- 3.16 6. Подключение проводов к разъёму
- 3.17 7. Подключение провода ЦЗ к корпусу
- 3.18 8. Проверка работоспособности ЦЗ
- 3.19 9. Восстановление приборной панели и обшивки двери
- 3.20 Несколько советов во время установки центрального замка
- 4 Установка центрального замка своими руками
- 5 Как правильно подключить сигнализацию к центральному замку: пошаговая инструкция и рекомендации
- 6 Как устроен центральный замок автомобиля и принципы работы
- 7 Установка и ремонт центрального замка на ВАЗ десятой модели
Центральный замок – схема, установка, подключение + видео
Многие выбирают удобство и практичность, поэтому часто интересуются, как установить центральный замок. Он является весьма нужным устройством, так как благодаря ему происходит отпирание и закрывание дверей, а также багажного отсека в автоматическом режиме. Причем осуществить это можно как с пульта, так и выставив автоматическое закрытие замков по таймеру.
Работает замок следующим образом: при повороте ключа срабатывают управляющие контакты, которые подают команду на блок управления центральным замком, а он передает ее на устройства, которые открывают или запирают замки дверей салона, багажного отсека и даже люка топливного бака. В случае аварии или при срабатывании подушек безопасности все двери отпираются автоматически.
Уже почти все догадались, что составными частями центральных замков являются блок управления и исполнительное устройство. Последнее может быть механическим или же пневматическим. Решив приобрести центральный замок с дистанционным управлением, лучше его установку доверить профессионалам, так как в этом случае вы получите гарантию и будете уверены в том, что система работает корректно.
Выбирая столь важный и удобный элемент вашего автомобиля, вам, прежде всего, необходимо определиться с фирмой-производителем, так как, отдав предпочтение дешевому китайскому изделию, не стоит рассчитывать на его долгую и качественную работу.
Еще стоит обратить внимание и на опции, дабы не переплачивать за то, чем пользоваться не будете, а иногда они будут раздражающе ненужными. Правда, управление замком программируется при установке, и вы вполне можете попросить их не настраивать вовсе.
Также возьмем на себя смелость рассказать о некоторых хитростях таких механизмов. Очень удобной является функция дожима автостекол, но только при наличии стеклоподъемников.
Ведь нередки случаи, когда мы при движении чуть приоткрываем окна для ненавязчивой вентиляции, а потом забываем их закрыть.
Также полезна опция запирания всех дверей во время набирания скорости автомобилем, это особенно актуально при наличии детей.
Установка центрального замка не покажется вам сложной, давайте попробуем осуществить ее своими силами.
Сначала снимаем обшивку и пылезащитные шторы с дверей, так что не забудьте запастись пластиковыми защелками, которыми прикрепите ее обратно.
Отсоедините клеммы от аккумулятора, все-таки данная процедура связана с электричеством, поэтому не стоит забывать об элементарной технике безопасности.
Следом выбираем самое подходящее место для установки замка, в этом случае обязательно необходимо учитывать расположение внутренностей стеклоподъемников, а также ход стекла, вполне возможно, что необходимо будет изготовить специальный кронштейн для крепления замка. Крепим замок с помощью саморезов.
После его установки обязательно нужно произвести сопряжение замка с тягой, которая отвечает за поднятие и опускание кнопки запирания двери. Оно должно происходить плавно и без натуги. Далее настраивается электрическая схема центрального замка.
От каждого из активаторов идет по четыре провода, два из них идут к кузову и отвечают за закрытие или же открытие замка, и два – к активатору.
Дальнейший путь проводов прокладывается под настилом авто и достигает привода центрального замка. Подключите провода к блоку согласно тому, как указано в инструкции.
Проверьте работоспособность всех дверей авто в закрытом состоянии по очереди, таким образом, можно будет определиться, как отрегулировать фиксаторы относительно тяги центрального замка. Получив положительный результат, не забудьте закрыть обшивку и прикрутить обратно пороги.
Подобная схема подключения центрального замка займет около полутора часов вашего времени, но в дальнейшем повысит уровень вашей защиты.
Описание центрального замка и его блока, инструкция по установке своими руками

Многие автомобили сегодня оборудуются центральными замками, позволяющими повысить удобство и эффективность защиты транспортного средства. Но не каждому автолюбителю известно устройство и принцип функционирования такой системы. Где находится блок управления, надежно ли можно защитить свой автомобиль центральным замком, как установить устройство — об этом читайте далее.
Характеристика центрального замка
Принцип работы
Центральный замок с дистанционным управлением — это не компонент транспортного средства, а общее название схемы элементов устройства блокировки замков машины.
Основным предназначением такой схемы является открывание и закрывание дверей в определенный момент. В зависимости от системы, центральный замок также может закрывать крышку бензобака.
Примечательно, что блок управления центральным замком с пультом ДУ может включаться как при включенном, так и при выключенном двигателе.
Что касается принципа работы, то он состоит в следующем. Когда водитель поворачивает ключ в двери авто, запускается микропереключатель, который отвечает за защиту. Импульс от этого элемента системы передается на блок, а от него — на остальные компоненты устройства.
Когда импульс попадает на блок, все исполнительные компоненты начинают работать, в результате чего осуществляется полная блокировка или разблокирование дверей.
Следует отметить, что импульс, который поступает от переключателя на блок, не дает приводу включиться повторно (автор видео — Китай ruS).
Но при необходимости осуществить полную блокировку дверей автомобиля можно и бесконтактным методом. Чтобы сделать это, достаточно воспользоваться пультом ДУ — на нем находится специальная кнопка, которая передает необходимый импульс на антенну.
Таким образом, блок центрального замка передает аналогичную команду исполнительным элементам для блокирования или разблокирования дверей.
Если правильно подключить систему, то механизмы блокировки могут активировать узлы, отвечающие за автоматическое поднятие стекол.
Если транспортное средство попадает в ДТП, то блокировка устройства деактивируется в автоматическом режиме. В этом случае в работу включается так называемый пассивный блок, обеспечивающий полное открытие дверей при необходимости. Но если в результате аварии произошел сбой в функционировании одного из элементов, ЦЗ может попросту не сработать.
Особенности
После установки и подключения ЦЗ на авто вы сможете значительно упростить процедуру закрытия и открытия дверей. Все без исключения центральные замки являются универсальными устройствами, соответственно, проблем с выбором необходимого варианта у вас не возникнет.
В стандартном комплекте находится основной модуль управления, непосредственно сам замок, а также электропривод для установки и подключения. Следует отметить, что любой ЦЗ всегда работать как от ключа, так и пульта ДУ, совместить такое устройство с сигнализацией — не проблема.
Что касается пульта ДУ, то, как правило, после установки и подключения он может передавать сигнал на расстоянии не более 10 метров.
Схема для подключения ЦЗ
Для обеспечения большего комфорта при эксплуатации автомобиля модуль системы может быть дополнительно оснащен активатором. Активатор — это устройство для закрытия двери багажного отделения. Благодаря активатору открывать и закрывать пятую дверь будет еще удобнее.
Как и в случае с обычным ЦЗ, активатор работает как от пульта, так и от ключа. Одной из особенностей такой системы является возможность кодировки тех или иных функций.
К примеру, вы можете запрограммировать активатор или ЦЗ на то, чтобы эти элементы автоматически включались, если скорость транспортного средства превысит 80 км/ч.
Устройство
Что касается устройства системы с активатором и пультом ДУ, то основными ее составляющими являются исполнительные компоненты (актуаторы), входные регуляторы, а также непосредственно сам блок.
В качестве входных регуляторов используются концевики (концевые выключатели), а также переключатели самой системы.
Основным предназначением концевика является фиксирование настоящего положения двери авто, а также дальнейшая передача импульса на ЦБ (автор видео — Простые штуки).
Переключатели предназначены для выявления настоящего положения компонентов конструкции системы с активатором и пультом ДУ.
На самом кулачке ЦЗ находится еще два переключателя, один из которых выполняет блокировку, а второй, соответственно, разблокирование. В системе есть еще два переключателя — они предназначены для запоминания положения ЦЗ.
Последний переключатель устанавливается на фиксирующем компоненте положения рычажного устройства — он позволяет определить состояние двери.
Переключатели передают импульсы на ЭБУ, впоследствии они поступают на центральный модуль.
Что касается такого компонента, как актуатор, то по сути это обычный электромотор постоянного тока, напрямую связанный с простым по своей конструкции редуктором.
Помимо этих компонентов, в системе может использоваться и пневматический привод, но это более актуально для старых автомобилей Мерседес и Фольксваген.
Пособие по установке
Как осуществляется установка и подключение ЦЗ с активатором и пультом ДУ своими руками:
По мнению многих специалистов, наиболее оптимальным вариантом будет монтаж ЦЗ в левом нижнем углу, поскольку даже когда стекло будет опускаться, оно никак не повлияет на работу ЦЗ.
Если отверстий нет, то их необходимо будет просверлить своими силами. Активаторы фиксируются саморезами.
Непосредственно после подключения следует сразу же проверить, работоспособна ли цепь.
Чтобы все сделать правильно, более оптимально будет приобрести специальную гофру или резиновый патрубок, который защитит проводку от воздействия внешней среды и изгибов.
Вам необходимо подсоединить приводы активатора, после чего заизолировать их и проложить. Полученную цепь необходимо уложить под контрольным щитком, а также вещевым ящиком.
В конечном итоге центральную консоль необходимо будет собрать.
Для этого подключите АКБ и проверьте, как закрываются все двери. Также не лишним будет проверить и проводку. Если все работает нормально, собирайте обшивку и прочие элементы салона в обратной последовательности.
Видео «Монтаж ЦЗ на примере автомобиля Деу Сенс»
Подробное описание процесса монтажа центрального замка на автомобиль Деу Сенс представлено ниже (автор видео — Леша Мастер).
- Определяем степень защиты автомобиля от злоумышленников с иммо Starline i95
- Cenmax — современная надежная сигнализация производства Тайвани
- Центральный замок — устройство, перед которым открываются все двери
Как установить центральный замок в машину — комфорт за копейки

Приятно иметь возможность разблокировать и заблокировать двери с брелока, а не с помощью ключа. Простой центральный замок имеет ограниченную ценность, так как занимает небольшое место в автомобиле. Возможность удалённо открывать или закрывать двери машины — большое преимущество, которого многие старые автомобили лишены.
Установка центрального замка не требует значительных затрат.
Однако, для того чтобы его смонтировать, нужно продемонстрировать ловкость в работе (следует заметить, что схема такого устройства довольно проста).
Если вы сможете уделить установке несколько часов своего времени, это стоит того, чтобы взяться за работу. В противном случае, чтобы не потерять свои нервы, лучше установить систему в сервисных мастерских.
Если же вы решили, что подключение своими руками вам под силу, изучите следующие рекомендации.
Важные параметры и функции центрального замка
Центральный замок, или система централизованной блокировки замков автомобиля, является вспомогательным устройством транспортного средства, одной из составляющих системы комфорта. Его наличие приносит удобство, потому что нажатием одной кнопки на пульте дистанционного управления вы сможете без ключа разблокировать все двери автомобиля.
В настоящее время, кроме открывания дверей, с помощью этой системы активируется открытие-закрытие багажника, крышка топливного бака и люка на крыше. В автомобиле, который оснащён электрическими стеклоподъёмниками, также может использоваться дистанционное управление центрального замка.
Схема центрального замка довольно проста. Система объединяет в себе:
- входные датчики (используются концевые выключатели дверей и микропереключатели, которые находятся в конструкции замка);
- блок управления центральным замком;
- исполнительные устройства (называемые также активатор или актуатор).
Принцип работы ЦЗ
Сигналы от переключателя подаются на электронный блок управления, который, в свою очередь, перенаправляет их на блок управления центральным замком.
Дальше сигнал проходит в блоки управления дверей, где формируется управление воздействия на исполнительные устройства замка двери.
На основании полученных сигналов блоки управления дверей активируют активатор (представляет собой электрический двигатель постоянного тока 12 В, который объединён с простым редуктором).
Перед началом установки системы нужно как следует подготовиться:
- купить сам механизм;
- приобрести необходимый инструмент.
Вы можете купить необходимую систему, которую устанавливает производитель в версиях с центральным замком, то есть оригинальный механизм. Однако это самый дорогой способ. Модификации обойдутся значительно дешевле, однако найти набор необходимых деталей иногда очень сложно.
Вот почему большинство автолюбителей, которые хотят установить центральный замок, используют универсальные наборы. Вы можете купить их в специализированных магазинах или совершить интернет-покупку. Большинство таких комплектов состоит из набора проводов, контроллера, кабелей и крепежей.
В более сложных наборах также можете найти пульт управления.
Центральный замок, как правило, бывает двух типов:
- механический;
- электронный.
Механический активируется поворотом ключа в двери водителя, а электронный — нажатием соответствующей кнопки на пульте дистанционного управления. Кроме повышения комфорта, подключение центрального замка к сигнализации удвоит безопасность вашего автомобиля.
Необходимый инструмент
Принимая во внимание решение об установке центрального замка, необходимо иметь следующий набор инструментов:
- собственно, сам автомобиль;
- система централизованной блокировки замков, в состав которой входит блок управления центральным замком и исполнительное устройство (активатор);
- медные двухжильные провода длиной 3–4 метра;
- прочие инструменты, такие как крестовая отвёртка, небольшая плоская, изоляционная лента, клещи для резки кабелей, гаечные ключи, плоскогубцы, свёрла и дрель, тиски и другое.
Первый этап
1. Демонтаж дверных панелей
Для начала нужно снять обивку двери и пылезащитные шторы с каждой двери. Перед этим следует отсоединить клеммы от аккумулятора для собственной безопасности.
Демонтировать дверные панели довольно простая задача — отвинтите 4 винта под полкой. Теперь вам нужно удалить рукоятку. Дальше можно аккуратно удалить обивку. Вспомните о трёх защёлках, расположенных на краю замка. У двери есть пластмассовый винт, который необходимо открутить. Затем выверните винты, расположенные в обивку под рулевым колесом (первый слева, а другой на правой стороне).
2. Выбираем место для установки
Чтобы выбрать подходящее место, где находится центральный замок для установки, нужно брать во внимание расположение внутренностей стеклоподъёмников.
Не исключено, что понадобится изготовить отдельный кронштейн для крепления.
Опытные мастера подсказывают, что левый нижний угол — это самое лучшее место для установки, ведь при опускании стекла последнее не будет задевать замок и мешать его работе.
3. Установка активатора
Активаторы замка устанавливаются отдельно на каждую дверь. Для этого необходимо просверлить дополнительные отверстия и закрепить их саморезами. Аналогично проделываем установку для каждой двери.
4. Закрепление активатора к тяге замка
Из установочного комплекта зажимами нужно закрепить каждый активатор к двери. Очень часто центральный замок имеет большое усилие, который должен приложить активатор для открытия двери. Поскольку ход тяги исполнительного устройства больше, чем тяги замка, нужно совместить центр хода обеих тяг.
Дальше от активаторов устанавливаем фиксаторы на тяги ручного блока замка. Такую работу нужно выполнить с каждой отдельной дверью автомобиля. Во время подключения исполнительных устройств нужно проверять проводку на проводимость тока.
Если отверстие в тяге ЦЗ больше чем нужно, можно воспользоваться пластиковой втулкой, которая уменьшит его размер до необходимой величины.
5. Протягивание проводов
Четыре провода, которые идут от каждого активатора (два к нему, и два на кузов автомобиля), можно прикрепить с помощью пластиковых хомутов. Такая работа выполняется индивидуально для каждого отдельного транспортного средства. Можно использовать существующие отверстия либо же просверлить свои. Не рекомендуется прокладывать провода в нижней части двери, где чаще всего скапливается влага.
В проблемной зоне прокладки — проём между кузовом и дверью автомобиля — лучше использовать проходную резиновую трубку, которая защитит проводку от изломов и перетирания.
На видео — установка ЦЗ на автомобиль:
Второй этап
1. Снимаем приборную панель
Чтобы упростить работу по прокладке проводов, лучше приборную панель снять полностью. Для этого необходимо проткнуть точки, которые находятся рядом с шурупами крепления передней панели. Найдите место прохождения проводов под торпедой и в бардачке. Именно через них и будут проложены провода.
2. Демонтаж старых проводов
На этом этапе работы нужно убрать старые провода стеклоподъёмников и проложить новые. Дальше следует подключить их к приводу.
3. Подключение проводов активатора
Вместе с подключением проводов активатора нужно их изолировать и проложить внутри двери. Чтобы они были закреплены, их лучше закрепить к конструкции двери с помощью той же изоленты.
4. Прокладывание проводов
После проделанной работы нужно протолкнуть провода с одной стороны под приборную панель, с другой стороны — в бардачок. Такая работа не всегда может получиться с первого раза, именно на этом этапе нужно показать сноровку и ловкость.
5. Установка проходной трубки
Установить проходную трубку в стойку с обеих сторон можно с помощью отвёртки. Делать это нужно осторожно, чтобы не повредить саму резиновую трубку.
6. Подключение проводов к разъёму
Дальше к разъёму крепится предохранитель и соединяется с блоком питания центрального замка. Всё это устанавливается под торпедо.
7. Подключение провода ЦЗ к корпусу
Минусовый провод центрального замка нужно подключить к корпусу автомобиля. Плюсовой провод подключается к предохранителю №1 со стороны аккумуляторной батареи.
8. Проверка работоспособности ЦЗ
После того как вы подсоединили аккумулятор, проверьте работоспособность механизма — как механической его части, так и электрической. Ход тяг должен быть плавным и лёгким.
9. Восстановление приборной панели и обшивки двери
Убедившись, что всё работает исправно, установите на своё место торпедо и обшивку боковых дверей.
На видео — как установить центральный замок:
Несколько советов во время установки центрального замка
Наличие системы централизованной блокировки замков является не только удобством, но и быстрым, безопасным способом открытия и закрытия автомобиля. Сегодня всё больше и больше автомобилей оснащены такими устройствами уже с завода. Но если вы не имеете такой системы, её довольно легко и быстро установить.
Как правило, местом, где находится система централизованной блокировки замков, является дверь или центральная консоль. Вы уже установили ЦЗ? Мы готовы прочитать о вашем опыте.
Установка центрального замка своими руками

Прогресс не стоит на месте, каждый день появляются новые технические решения и разработки. В мире автомобильной электроники существует уже масса приборов и устройств, которые способны облегчить жизнь водителю.
На иномарках даже старых годов можно встретить не только сигнализацию с центральным замком, но и обогреватели боковых зеркал, электрический люк, подогрев сидений и другие электронные штучки.
В “Жигулях” об этом можно только мечтать, поэтому в этой статье мы расскажем как самостоятельно установить центральный замок на ВАЗ 2101-2107, который будет управляться с помощью сигнализации.
Сразу хотелось бы предупредить о том, что статья не претендует на роль лучшей инструкции или способа установки. Здесь описан личный опыт, поэтому у вас всегда есть возможность сделать что-то лучше, красивее, удобнее и так далее.
Что потребуется для установки центрального замка на 2 двери?
Длина около 3-4 метров.
Перед тем как непосредственно приступить к установке центральных замков, разберем каждый пункт выше по порядку, более подробно.
1) В этой статье мы не будем рассказывать о том, как самостоятельно установить сигнализацию, а предположим что она уже установлена. Самый дешевый вариант (около 1300 руб.) – простая сигнализация без обратной связи.
Какую модель выбрать, как правильно подключить, сколько стоит и другие вопросы по автосигнализации будут рассмотрены в другой статье. Учтите лишь несколько важных моментов.
Во-первых, основной блок сигнализации должен иметь разъем (обычно 6-ти контактный) с силовыми выходами для подключения замков дверей.
Во-вторых, перед покупкой заранее решите, есть ли у вас необходимость в дополнительном канале сигнализации.
Его можно использовать для открытия багажника или, например, реализации функции “световая дорожка” и других подобных. Все зависит от вашей фантазии и задумок, поэтому решать вам.
2)
Активаторы замков как только не называют, поэтому не удивляйтесь такому количеству названий. Мы будем придерживаться этого термина. Под соленоидом центрального замка, скорее всего, подразумевается электромагнит, который чаще всего устанавливается для открытия багажника. По мощности (тяговому усилию) он гораздо сильнее пластиковых активаторов, но и стоит дороже.
Примерная цена на обычный активатор центрального замка с 2-мя выводами (двухпроводной электрозамок) составляет 100-120 руб. за штуку. Для 2-х дверей понадобится два активатора, общая стоимость около 250 руб. В комплект к каждому активатору входит специальная планка для крепления центрального замка и саморезы, а также тяга, винты и металлическая пластина-фиксатор.
3) Для экономии изоленты медные провода желательно брать в общей изоляции вокруг изолированных проводников, но можно купить и по отдельности (одножильные). Сечение проводника должно быть не менее 0,75 квадрата. Ток потребления обычного электропривода центрального замка может в пике достигать 5А.
В автомагазинах можно подобрать провода различного диаметра, цвета и длины. Некоторые продаются в готовых монтажных наборах или комплектах. По отдельности или “по метражу”, чаще всего, встречаются одинарные (одиночные) провода.
Мы советуем зайти в обычный магазин электромонтажа и купить двухжильный медный кабель (отдельный провод которого имеет многопроволочную токопроводящую жилу).
Например, подойдет кабель ПВС 2×0,75 (с поливинилхлоридной оболочкой), либо ПВС 2×1 мм. Эти провода применяются для соединения различных электроприборов, электроинструмента и других машин и устройств.
Стоимость около 12-15 рублей за 1 метр.
Можно поискать специальные автомобильные провода ПГВА, которые предназначены для автотракторного оборудования и приборов. Они тоже имеют поливинилхлоридную изоляцию и без сомнения подойдут для подключения центральных замков.
При установке дополнительных устройств и использовании второго канала сигнализации, внимательно изучите таблицу с допустимыми токовыми нагрузками. Скорее всего, для установки мощного соленоида, который будет открывать замок багажника, потребуется дополнительное разгрузочное реле.
4)
Хомуты пластмассовые ленточные понадобятся для закрепления проводов. Приобретать по желанию, штук 10 будет вполне достаточно.
Комплект из 100 штук размером 2,5×100 стоит около 50 рублей.
5) Другие инструменты, приспособления и материалы, которые могут понадобиться при монтаже.
Установка и подключение центральных замков
Установка активатора центрального замка в переднюю дверь
Установку центрального замка следует начать со снятия обшивок дверей и других элементов, которые могут стать помехой при монтаже. Затем в каждой двери сверлятся отверстия для установки металлической планки, на которую будет крепиться активатор замка двери.
Закрепив и отрегулировав пластиковый активатор, переходим к подсоединению и укладке проводов. Задача – завести провода в салон автомобиля и подключить к блоку сигнализации.
Для того чтобы избежать попадания влаги на провода и дальнейшего выхода из строя активаторов и других устройств (электростеклоподъемники, подсветка дверей), продумайте прокладку проводов вдоль двери заранее.
Не размещайте провода в нижней части двери, так как в этом месте чаще всего скапливается вода.
Прокладка провода активатора центрального замка
При прокладке провода обратите также внимание на самую “проблемную” зону, а именно место перегиба проводов в проеме между дверью и кузовом.
Защитная трубка проводки дверей
Самый оптимальный вариант – использовать проходную резиновую трубку. Такая гофра защитит проводку от перетираний и изломов.
Для грамотного подхода к делу, а также для того чтобы иметь возможность с легкостью определить и найти нужные провода (+12 Вольт, “земля”, управляющие выходы от блока сигнализации), приборную панель (торпедо) лучше снять полностью. Тем самым, вы не только упростите себе работу по прокладке проводов, но и сможете осуществить их соединение, пропайку и изолирование без особых трудностей.
На автомобиле ВАЗ 2106 панель приборов снимается довольно просто (четыре самореза и четыре гайки).
Скручивать или паять провода?
Мы рекомендуем приобрести клеммы “мама” и “папа”, а также специальный инструмент для обжима проводов. В случае выхода из строя активатора, вы без проблем сможете заменить его на новый. Для этого понадобится просто отсоединить клеммы, демонтировать старый и подключить рабочий активатор.
Скручивать провода и обматывать изолентой – вариант ненадежный, в этом случае лучше “скрутка” + “пайка” + “термоусадочная трубка”.
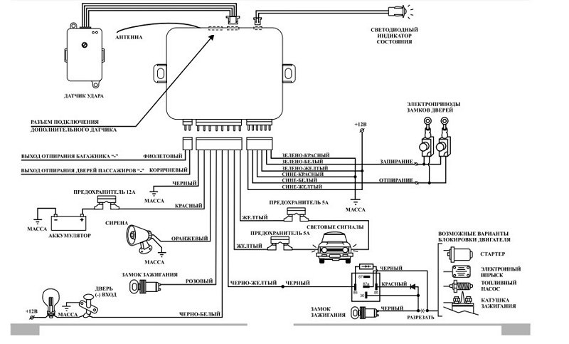
Как подключить центральный замок к сигнализации?
Так как автомобиль ВАЗ 2101-2107 изначально не оборудован центральным замком или электроприводами замков дверей, вы можете установить дополнительные электроприводы и подсоединить их к системе следующим образом.
Схема подключения центрального замка
Сине-белый и оранжевый провода 6-ти контактного разъема основного блока системы сигнализации через предохранители в 15А подключаются к +12 В постоянного тока. Зеленый и синий провода к массе автомобиля или, по-другому, “земле”.
Белый провод к синему проводу отпирания активатора замка двери, а желтый провод к зеленому проводу запирания электропривода.
Большинство китайских автосигнализаций, особенно недорогие модели (A.P.S. 2600 SHERIFF, Pantera CLK 355), имеют схожие по строению блоки. Иногда складывается впечатление, что китайские производители меняют только этикетку, а “начинка” остается прежней. По крайней мере, сам 6-ти контактный разъем с силовыми выходами для замков, а также цвета проводов отличаются довольно редко.
Ознакомившись со схемой подключения центрального замка, смело приступайте к соединению проводов и проверке работы активаторов. После успешных тестов остается только собрать все снятые детали на место и затем произвести “контрольную” проверку.
Работа сделана, поздравляем! Примерная сумма затрат – около 500 рублей, без учета стоимости сигнализации.
Выводы, покупка центрального замка с дистанционным управлением и другая полезная информация
Для того чтобы установить центральный замок, который будет закрывать все двери при повороте ключом, следует приобрести отдельный блок центрального замка (небольшая “черная коробочка”), а также специальный мастер-активатор (5 выводов) для водительской двери, либо также и для передней пассажирской (где есть “личинка” замка и возможность открыть дверь с помощью ключа).
В этом случае нет необходимости устанавливать сигнализацию, а сам процесс монтажа и подключения актуаторов аналогичен примеру выше. Отличия заключаются лишь в том, что придется проложить дополнительные провода для электрозамка водительской двери, а также “разобраться” со схемой подключения блока управления ЦЗ.
Центральный замок с дистанционным управлением на 4 двери
Вы также можете купить отдельный комплект центрального замка с дистанционным управлением. В такой набор уже входят блок управления центральным замком, 4 активатора, провода, крепеж и 2 брелка. Универсальный комплект обойдется в сумму около 1000 рублей.
Где купить? В розничных магазинах вы не встретите такой комплект по названной выше цене. Для этого воспользуйтесь сайтами, которые продают электронику и другие приборы прямо из Китая. Старайтесь не связываться с посредниками, а заказывайте напрямую.
Рекомендуем сайт Aliexpress.com, но будьте внимательны к продавцам и смотрите на отзывы покупателей. Как пример, Universal Car Central Locking System.
Если у вас возникли вопросы по установке ЦЗ, либо вы хотите более подробно узнать о том, как покупать на этом или аналогичных сайтах, напишите нам через форму “контакты” (внизу страницы). Мы постараемся ответить.
Рубрики: Электрооборудование
Как правильно подключить сигнализацию к центральному замку: пошаговая инструкция и рекомендации

Подключение автомобильной сигнализации к замку является трудоёмким и непростым процессом, который рекомендуется проводить в автосервисе.
Имея желание и ознакомившись с этой инструкцией, вполне можно провести его своими руками.
Веским аргументом в пользу собственноручного подключения охранного устройства к центральному замку является то, что, нарушая алгоритм установки, принятый у профессионалов, значительно усложняется взлом автомобиля.
Разновидности элементов ЦЗ
Центральные замки имеют несложное строение:
Схема центрального замка в автомобиле
Подключение автосигнализации своими руками
Механизмы охраны достаточно быстро устанавливают в автосервисах. Рассмотрим, как подключить их самостоятельно. Этот процесс состоит из нескольких частей. Результат напрямую зависит от того, следуете ли вы инструкциям.
Подготовка к подключению сигнализации
Перед непосредственным подключением сигнализации к ЦЗ необходимо ознакомиться со строением самого замка.
После этого ищем точки доступа, которые показаны на схемах инструкций по использованию и установке устройства на транспортном средстве.
Сигнализации типа starline a91 универсальные, они подходят для установки на автомобили с разными типами двигателей (турбированные, дизельные или бензиновые) как с автоматической, так и ручной коробкой передач.
Материалы для работы
Для установки сигналки понадобятся:
- изолента;
- отвёртка;
- защитный светодиод;
- активатор водительской дверцы;
- паяльник (вместе с ним канифоль и припой);
- сама сигнализация.
Важно! Не начинайте подключение, не ознакомившись перед этим с теоретическим материалом.
Пошаговая инструкция
Стоит помнить, что способы установки охранного механизма могут разниться между собой (чаще всего это зависит от производителя). После того как все материалы собраны и вся ознакомительная информация прочитана, можно начинать установку.
Видео: подключаем сигнализацию
Рассмотрим их подключение:
- проводок жёлтого цвета (самый верхний) подсоедините к контактам катушки питания реле. В место разрыва цепи питания катушки зажигания вставляются нормально замкнутые контакты данного реле. Нужно разрезать кабель, который соединяет катушку питания реле и замок зажигания. Концы, образовавшиеся после разрезания, необходимо подсоединить к двум контактам реле (провода зелёного цвета). Затем проводок, идущий от замка зажигания, подсоединить к другому контакту катушки реле;
- провод чёрного цвета нужно присоединить к отрицательной клемме аккумулятора (к нему же подключены оранжевый и оранжево-чёрный провода от ЦЗ);Важно! Необходимо отключить аккумулятор на период подключения, чтобы не повредить электропроводку транспортного средства.
- оба провода коричневой окраски подсоедините к поворотникам (первый к правой стороне, второй, соответственно, к левой);
- провод розового цвета подсоедините к сирене (к её проводу красного цвета). Чёрный кабель сирены коммутируется на корпус или на отрицательный полюс аккумулятора;
- красный проводок подсоедините к положительной клемме. К нему же должны быть присоединены жёлтый и жёлто-чёрный провода ЦЗ;
- проводок зелёного цвета (называемый также «минусом открытия багажника»). Для возможности реализации этой функции нужно установить дополнительное реле и подсоединить этот провод к его питающей катушке;
- провод оранжевого цвета подсоедините к концевику педали тормоза;
- провод белого цвета (АСС) необходимо подсоединить к замку зажигания (к контакту, который замыкается при повороте ключа, на нём при этом появляется напряжение питания);
- проводок синего цвета подсоедините к концевым выключателям дверей.
Какие трудности могут возникнуть и как их преодолеть
Процесс подключения довольно трудоёмкий, поэтому у пользователей могут возникнуть некоторые проблемы:
Схемы для подключения
Представляем универсальную схему подключения. Схема подключения Несмотря на довольно трудоёмкий процесс установки автосигнализации своими руками, потраченные усилия не будут напрасны, ведь это позволит сэкономить неплохую сумму денег (чаще всего стоимость услуг профессионала приравнивается к цене самого комплекта сигнализации).
Кроме того, принесёт немало удовольствия тем, кто любит делать всё своими руками.
Как устроен центральный замок автомобиля и принципы работы

Для удобства использования транспортных средств, производители авто давно используют в их комплектации центральный замок, который является подсистемой более крупной системы «комфорт» и зачастую объединен с сигнализацией.
Центральный замок – выполняет блокировку одной или всех дверей автомобиля. Кроме того, он отвечает за отпирание крышки лючка бака для топлива и багажника. Если модель автомобиля старая, то – систему можно установить дополнительно.
Имеет дистанционное управление (ДУ).
Как устроен
Система центрального замка авто включает:
- Датчик входной: концевые выключатели и микропереключатели.
- Блок – управление центральным замком.
- Актуаторы.
К входным датчикам относится:
- Концевые дверные выключатели – отвечает за расположение дверей авто, передавая сигнал на блок питания.
- Микропереключатели – отвечают за конструктивные элементы запирающего устройства.
Функции микропереключателей:
- Два микропереключателя – фиксируют кулачковый механизм передних дверей: один отвечает за сигнал «lock» (блокировка), а другой «unlock» (разблокировка).
- Ещё два – отвечают за центральный замок.
- Микропереключатель рычажного механизма привода замка.
Такое устройство подразумевает передачу сигнала от микропереключателей сначала в блок управления, затем в цепь питания, по которой сигнал идёт на двери (актуаторы), крышку багажника и лючка бака для топлива. Результат: замки открываются.
Состоит из:
- Электродвигателя.
- РеДУктора.
Система работает дистанционно (ДУ): На ключе зажигание есть специальная кнопка ДУ, сигнал передаётся на антенну, с неё – в блок. Радиус действия ДУ -10 метров. Можно сделать подключение к сигнализации.
Блок управления
Блок отвечает за работу замка. В схему управления входят цифровые элементы – они передают сигнал по остальным составляющим системы.
Такое устройство системы центрального замка авто взаимодействует с сигнализацией, а также может управляться ДУ пультом. Её можно установить самостоятельно, но на большинстве современных авто уже установлен центральный замок с дистанционным управлением.
ДУ работает от отдельного электронного блока, который подсоединяется к системе и контролирует его.
Функции центрального замка
Преимущество устройства центральный замок с дистанционным управлением в автомобиле:
- Экономия времени. Вместо того что бы по очереди закрывать каждую дверь, необходимо закрыть одну – остальные блокируются автоматически.
- Универсальность. Устройство стандартное. Нет необходимости подбирать модель.
Стандартный комплект замка авто состоит из:
- Электропривод (пятипроводной).
- Центральный замок.
- Двухпроводные электроприводы.
- Контролёр управления.
Систему приводит в действие ключ или пульт ДУ.
Функциональные особенности:
- Система работает с сигнализацией любого типа.
- Кнопку запуска ДУ размещают на брелок для удобства.
- Если в автомобиле установлена сигнализация и есть пульт, нет смысла заказывать еще один– лучше сэкономить.
- Кроме дверей и лючка, подключить можно еще багажник авто. Им тоже можно управлять пультом ДУ.
- Важной особенностью является перекодировка предохранительных возможностей. Например, при превышении скорости, двери автоматически запираются. Или установить поочерёдное открытие: сначала дверь со стороны водителя, при повторном нажатии – остальные.
Установка системы
При покупке желательно обратить внимание на оригинальный комплект, который рекомендует производитель авто, хотя они не всегда доступны по цене.
Чаще всего, выбор падает на стандартный универсальный комплект, который включает:
- Провода.
- Кабели.
- Крепежи.
- Контролер.
Система подороже снабжена пультом ДУ.
Чтобы установить комплект системы необходимы:
- Система центрального замка.
- Медный двужильный провод (4 метра).
- Отвертки (крестовая и плоская).
- Гаечные ключи.
- Клещи.
- Плоскогубцы.
- Дрель + свёрла.
Алгоритм установки:
- Отсоединить клеммы от аккумулятора.
- Снять с дверей обшивку (снять ручку, и по углам винты).
- Выкрутить пластмассовый дверной винт.
- Винты рулевого колеса.
- Найти место для установки системы (рекомендуется – нижний левый угол).
- Сделать дрелью в каждой двери отверстия для активаторов.
- Установка активаторов замка, закрепить саморезами.
- Установка активатора к тяге, совмещая центр хода исполнительного устройства и замка.
- Установка фиксаторов на ручные тяги.
- Проверить проводку.
- Протянуть от активаторов провода к отверстиям (провести между кузовом и дверью при помощи прорезиненной трубки).
- Снять панель приборную.
- Заменить провода стеклоподъемника и подключить их к приводу.
- Подключить приводы активаторов.
- Провода изолировать и поместить внутрь двери.
- Провести провода в панель
- Провести провода в бардачок.
- Установка трубки проходной.
- В разъем устанавливается предохранитель и подключается в блок питания и всё устройство размещают под торпеду.
- Подключить провод центрального замка к машине (минус-корпус, плюс-предохранитель).
- Проверить, работает ли система.
- Собрать обшивку.
Провода желательно размещать в трубку прорезиненную.
Как ухаживать за центральным замком
Центральный замок в автомобиле – это комплект системы, обеспечивающей дополнительные удобство и безопасность, но она требует дополнительного ухода. Проблемы с замками в автомобиле обычно возникают зимой: после мойки, при плохом продувании замков в них замерзает влага и прихватит тяги.
Больше информации об устройстве и подключении центрального замка на видео:
Подключение замка к сигнализации
Подключение к сигнализации зависит от типа устройства центрального замка авто:
- Управляется отрицательным импульсом.
- Управляется положительным импульсом.
- Управляется смешанным импульсом (практически не встречается).
От типа импульса зависит, каким зарядом он подключается к сигнализации автомобиля.
Если провода не найдены, нужно проверять блок центрального замка. Его можно найти, прислушавшись к щёлканью реле. Если получилось разобрать блок и найти точки подачи импульса – сюда же крепится сигнализация.
Еще одно возможное место расположения проводов – у двери водителя автомобиля.
Для первых двух типов импульса, поиск одинаков, только следует установить нужный импульс.
Установка и ремонт центрального замка на ВАЗ десятой модели

Главная страница » ВАЗ » ВАЗ 2110 » Руководство по установке и ремонту центрального замка на ВАЗ 2110 своими руками
На ВАЗ 2110 центральный замок представляет собой систему, предназначенную для открытия и закрытия дверей транспортного средства. Для более удобного управления центрального замка на ВАЗ 2110, да и на других авто, давно используется пульт.
При необходимости ЦЗ можно настроить таким образом, чтобы он включался автоматически по истечении определенного промежутка времени. В зависимости от системы, с помощью брелка можно управлять и дверью багажного отделения, моторного отсека, а иногда ЦЗ даже позволяет открывать и закрывать стекла.
В случае аварии ЦЗ может сработать автоматически, открыв все двери транспортного средства.
Комплект ЦЗ для авто
Центральный замок ВАЗ включает в свою конструкцию датчики — это концевые регуляторы включения дверей, соленоиды, а также блок управления. Концевой регулятор предназначен для фиксации положения дверей, а данные об этом, в свою очередь, передаются на блок центрального замка ВАЗ 2110. Предназначение переключателей заключается в креплении конструктивных элементов замка двери.
Непосредственно сама блокировка системы осуществляется с помощью одного переключателя, а функцию разблокирования выполняет другой датчик. Конструкция включает в себя еще два переключателя, обеспечивающие нормальную работу запирающего механизма.
Еще один — пятый переключатель — монтируется на рычажном механизме привода, его предназначение заключается в выявлении положения двери. Если дверь авто открыта, то контакты элементов замыкаются, соответственно, вся система деактивируется.
Для выполнения той или иной функции блок управления передает импульс на те или иные управляющие устройства, таким образом приводя привод в действие.
Монтаж ЦЗ в двери «десятки»
Возможные неисправности системы блокировки
Если вам нужно узнать, как своими руками найти главный блок управления, то в первую очередь нужно ознакомиться с сервисной книжкой — там должно быть указано, где находится механизм. Как правило, находится блок под центральной консолью, иногда он может быть спрятан в самой двери.
Ни для кого не секрет, что любое устройство не может работать вечно и со временем в работе ЦЗ также могут проявляться сбои.
На практике устройство часто может переставать функционировать из-за того, что водитель посредством пульта передает удлиненный или учащенный сигнал на открытие либо закрытие дверей.
Если перестал работать центральный замок по этой причине, то в первую очередь нужно проверить активаторы.
Когда подается длинный сигнал, это приводит к разогреванию коллектора электродвигателя системы, в результате это может привести к плавлению щеткодержательного устройства. Последнее может заклинить.
Ремонт центрального замка ВАЗ 2110 в данном случае будет заключаться в замене этого элемента.
Для защиты электропроводки используется предохранительное устройство, расположенное в салоне транспортного средство, прямо за блоком.
Если у вас есть схема центрального замка ВАЗ 2110, то вы без проблем сможете найти этот элемент. В том случае, если ЦЗ не функционирует, нужно проверить этот компонент.
Отремонтировать ЦЗ нужно будет и в том случае, если окислится штекер с проводкой, который обычно располагается в ногах водителя.
Как показывает практика, иногда причиной поломки является модульный блок ЦЗ. Его диагностика заключается в подаче напряжения на контакт разъем непосредственно от аккумулятора.
В редукторных активаторах шестеренки выполняются из пластика, соответственно, они со временем подвергаются износу, так что их тоже нужно будет менять.
Но наиболее слабым местом системы являются соленоиды — они ломаются чаще всего.
Инструкция по установке
Схема подключения системы
Установка центрального замка в свой автомобиль осуществляется таким образом:
Особенности ремонта
Как правило, в случае неработоспособности ЦЗ опытные электрики в первую очередь проверяют состояние датчиков. Если ЦЗ связан с противоугонной системой, то сначала проверяется именно она. Как сказано выше, наиболее часто из строя выходят активаторы, поэтому их также следует проверить.
В том случае, если отказывается работать определенная дверь, причину необходимо икать в ней. Это может быть как сам соленоид, так и провода.
В ходе эксплуатации авто и частого открытия и закрытия дверей в цепи проводки может случиться обрыв, обусловленный перегибанием и механической поломкой самого провода.
Если это так, то провод нужно заменить или заново соединить оборванные части, после чего заизолировать их.
Извините, в настоящее время нет доступных опросов.
Видео «Что делать, если двери машины не закрываются?»
Подробнее о том, как решить проблему не закрывающихся дверей «десятки», вы сможете узнать из этого видео (автор — канал TURBO POWER RS).
У Вас остались вопросы? Специалисты и читатели сайта LABAVTO помогут вам, задать вопрос





















































