Содержание
- 1 Предохранители и реле Hyundai Accent, электрические схемы
- 2 Самостоятельный ремонт и замена элементов системы электрооборудования Хендай Акцента
- 3 Hyundai Solaris
- 4 Hyundai Accent. электрооборудование предохранители и реле генератор и стартер лампы электросхемы – PDF
- 5 Хёндэ Акцент с 06 руководство по эксплуатации, техобслуживанию и ремонту
Предохранители и реле Hyundai Accent, электрические схемы
Предохранители и реле Hyundai Accent
Хендай Акцент — достаточно распространённый автомобиль в широком кругу автовладельцев. За долгие годы модель успела прижиться на улицах многих городов.
Чем старше становится авто и чем реже проводятся технические осмотры, тем выше вероятность того, что возникнут проблемы с электрикой и приборами.
При подобных неисправностях следует проверить в первую очередь предохранители и реле Hyundai Accent. Если руководства под рукой нет, вам поможет эта статья.
Подкапотный монтажный блок
Подкапотный монтажный блок находится с левой стороны по ходу движения автомобиля, между аккумулятором, воздушным фильтром и кузовом.
Список предохранителей в блоке под капотом
1 (100 А) — генератор. Если аккумулятор стал быстро разряжаться, скорее всего дело в генераторе и отсутствии заряда АКБ.
Проверьте этот предохранитель, натяжение ремня генератора, контакты разъёмов на генераторе, а также проводку. В цепях автомобиля не должно быть коротких замыканий.
Проверьте напряжение на клеммах генератора при заведённом автомобиле (если нет опыта, лучше обратитесь к электрику).
Если напряжения на клеммах нет, возможно износились щётки внутри генератора, в этом случае его можно недорого починить. Если при повороте шкива раздаются скрипы или посторонние звуки, скорее всего разрушились подшипники. В этом случае лучше заменить генератор на новый или отдать в ремонт.
2 (50 А) — блокировка дверей
(электропривод), стоп-сигналы, аварийная сигнализация, звуковой сигнал, обогрев заднего стекла, освещение салона, электронный блок управления (ЭБУ).
Если у вас не работает ни один стоп сигнал (включая салонный на заднем стекле), первым делом проверьте этот предохранитель. Если он целый, то скорее всего дело в «лягушке» (выключатель в блоке над педалью тормоза), разъёме или проводке.
Если не горит только один стоп-сигнал, скорее всего перегорела лампа. Лампы стоят двухнитиевые, одна нить на габарит, другая — на стоп. Можно замерить напряжение на разъёме лампы при нажатой педали тормоза, если оно там есть, дело в лампе. Если нет, вероятнее всего проводка. Посмотрите также схему подключения ламп на вкладке «Схемы» вверху страницы.
Если не работает «аварийка«-
проверьте данный предохранитель, предохранители 1 и 7 в салонном блоке и реле 10 в салоне, а затем кнопку включения и проводку.
Если не работает клаксон (звуковой сигнал), дело может быть в этом предохранителе, в самом устройстве гудка, проводке до него и выключателе на руле.
Попробуйте кратковременно подать напряжение 12 В с аккумулятора напрямую на клеммы сигнала. Если звука слышно не будет, почините или замените его. Это довольно частая проблема, особенно в дождливую погоду.
Если звук есть, проверьте контакт на массу, он должен быть надёжно прикручен. Провода не должны иметь обрывов и оплавленной изоляции.
Если не работает обогрев заднего стекла, проверьте также предохранитель 9 и реле 8 в салонном монтажном блоке. Если они исправны, проверьте контакты элементов обогрева на задней стойке, а также нити на стекле на наличие обрывов.
Обнаруженные обрывы можно починить специальным токопроводящим клеем. Можно проверить напряжение на контактах элементов обогрева, при нажатой кнопке оно там должно быть. Если напряжение на клеммах отсутствует, проверьте проводку, проложенную по кузову и исправность кнопки.
3 (30 А) — головной свет и лампы габаритов. Если не горят лампы головного света или габаритов, проверьте также предохранители 27, 28, затем в салонном блоке реле 4, сами лампы, контакты разъёмов, проводку и выключатель.
4 (20 А) — блок управления двигателем.
Если двигатель не заводится, работает не ровно или глохнет без видимых причин, проверьте этот предохранитель и его контакты, а также предохранители 5, 6, 16, 17, 18, 21, затем в салонном блоке предохранитель 5 и реле 3.
Помимо проводки, дело может быть в топливной системе, бензонасосе, системе зажигания, свечах и других составляющих систем. Если нет опыта, лучше провести полную диагностику двигателя в автосервисе.
5 (30 А) — запуск двигателя, катушки зажигания
6 (20 А) — вентилятор радиатора. Если вентилятор системы охлаждения двигателя не включается, проверьте также реле 18 и предохранитель 10 в салонном блоке.
Попробуйте подать напряжение 12 В от АКБ напрямую на вентилятор, исключив тем самым вариант его поломки. Также дело может быть в датчике температуре охлаждающей жидкости (ДТОЖ) или термостате.
При появлении признаков повышенной температуры и перегрева двигателя сразу же глушите его. Иначе можно попасть на дорогостоящий ремонт. Если нет опыта, лучше обратиться в мастерскую.
7 — разъем
8 — реле вентилятора отопителя. Если у вас перестала работать печка и в салоне холодно, проверьте это реле, а также предохранитель 40.
Если отопитель работает только в режиме максимальных оборотов, проверьте резистор, который отвечает за режимы работы вентилятора. При необходимости замените его новым.
Если печка не работает ни в одном из режимов, попробуйте подать напряжение 12 В напрямую с аккумулятора на её мотор.
Чтобы добраться до мотора, нужно снять крышку под основным перчаточным ящиком. Если мотор не заработает, потребуется его ремонт или замена новым. При наличии средств лучше не скупиться и купить новый. Если мотор работает, проверьте проводку и исправность переключателя режимов печки (вместе с его контактами).
Самостоятельный ремонт и замена элементов системы электрооборудования Хендай Акцента

Электрическое оборудование
Автор: admin · Published 07.11.2018
Главной целью предохранителя является защита электроприборов и проводов от чрезмерного напряжения, которое может возникнуть в результате неисправности электро цепи, чаще всего это короткое замыкание. Предохранитель в автомобиле создан так, что в случае если сила…
ПОРЯДОК ВЫПОЛНЕНИЯ 1. Отсоедините провод от отрицательной клеммы аккумуляторной батареи. 2. Снимите держатель в крышке бампера Hyundai Accent. 3. Выверните болты и снимите фару Hyundai Accent. 4. Установка проводится в последовательности, обратной снятию.
Снимите реле стартера Hyundai Accent и проверьте проводимость между его клеммами. Если проводимость не соответствует требуемой, замените реле.
Удельный вес электролита Метод зарядки Медленная зарядка (5A) Быстрая зарядка (20A) Менее 1,000 14 ч 4 ч 1,000–1,300 12 ч 3 ч 1,300–1,600 10 ч 2,5 ч 1,600–1,900 8 ч 2,0 ч 1,900–1,220…
Эта проверка позволяет определить, вырабатывает ли генератор Hyundai Accent ток, который является эквивалентным номинальной мощности. Подготовка к проверке ПОРЯДОК ВЫПОЛНЕНИЯ 1. Перед испытанием проверьте следующие элементы:– состояние установленной в автомобиле аккумуляторной батареи;натяжение ремня привода генератора….
ПОРЯДОК ВЫПОЛНЕНИЯ 1. Выверните болт и снимите звуковой сигнал Hyundai Accent. 2. Установка проводится в последовательности, обратной снятию. Регулировка ПОРЯДОК ВЫПОЛНЕНИЯ При необходимости, вращая регулировочный винт, отрегулируйте тональность звука. Предупреждение После регулировки нанесите на головку…
ПОРЯДОК ВЫПОЛНЕНИЯ 1. Удельный вес аккумуляторного электролита изменяется с температурой. Повышение температуры приводит к уменьшению удельного веса и наоборот. 2. Удельный вес электролита полностью заряженной аккумуляторной батареи должен быть в пределах между 1,260 и…
Снятие и установка ПОРЯДОК ВЫПОЛНЕНИЯ 1. Отсоедините провод от отрицательной клеммы аккумуляторной батареи. 2. Снимите накладку комбинации приборов Hyundai Accent. 3. Выверните винты и снимите комбинацию приборов Hyundai Accent. 4. Установка проводится в последовательности, обратной снятию.
ПОРЯДОК ВЫПОЛНЕНИЯ 1. Включите зажигание. 2. После включения зажигания при работающем двигателе должна гореть контрольная лампа зарядки аккумуляторной батареи. 3. Отсоедините разъем от резистора предварительного возбуждения генератора.Подсоедините омметр к контактам 1 и 3 разъема…
Снятие и установка (без подушки безопасности) ПОРЯДОК ВЫПОЛНЕНИЯ 1. Снимите кнопку звукового сигнала и рулевое колесо. 2. Снимите верхний и нижний кожухи рулевой колонки Hyundai Accent. 3. Выверните винты и снимите многофункциональный переключатель. 4. Установка…
Снятие и установка ПОРЯДОК ВЫПОЛНЕНИЯ 1. Отсоедините провод от отрицательной клеммы аккумуляторной батареи Hyundai Accent. 2. Снимите вещевой ящик. 3. Отсоедините провода цепи управления отопителя под вещевым ящиком и с нижней стороны панели приборов. 4….
Аккумуляторная батарея Hyundai Accent – это устройство для хранения энергии в химической форме, которая в дальнейшем может использоваться как электричество. Аккумуляторная батарея Hyundai Accent работает благодаря тому, что два различных металла, находясь в кислотном растворе, создают…
ПОРЯДОК ВЫПОЛНЕНИЯ 1. Выключите зажигание Акцента и все потребители электрической энергии. 2. Отсоедините провода от клемм аккумуляторной батареи. Отрицательный провод необходимо отсоединить в первую очередь и подсоединять в последнюю очередь. 3. Снимите батарею с…
Свет фар Hyundai Accent должен быть отрегулирован с применением специального оборудования и в соответствии с инструкциями изготовителя оборудования. Поочередно вращайте регулировочные колеса, чтобы отрегулировать поток света фар. Если специальное оборудование недоступно, выполните регулировку следующим образом….
ПОРЯДОК ВЫПОЛНЕНИЯ 1. Отсоедините провод от отрицательной клеммы аккумуляторной батареи. 2. Снимите заднюю поперечную отделку и обивку с левой задней стороны багажника. 3. Отверните гайку крепления антенны Hyundai Accent и достаньте болт. Отсоедините антенный кабель…
Система запуска Hyundai Accent включает аккумуляторную батарею, стартер, тяговое реле, замок зажигания, блокирующий выключатель (только на автомобилях с автоматической коробкой передач) и провода. При включении стартера через обмотку тягового реле стартера Акцента начинает протекать ток…
Проверьте что высота установки, свободный ход и зазор штифта с головкой и отверстием под шплинт педали сцепления Hyundai Accent находятся в нормальных пределах.
Проверьте проводимость между клеммами выключателя блокировки зажигания Hyundai Accent.
Система зарядки Hyundai Accent включает батарею, генератор со встроенным регулятором и контрольной лампой зарядки и проводами. В автомобиле установлен генератор переменного тока с выпрямителем. Генератор – это трехфазная синхронная электрическая машина с электромагнитным возбуждением. Напряжение…
1 – регулировочный болт; 2 генератор 90 А; 3 – болт, 20–25 Н•м; 4 – болт, 20–28 Н•м; 5 – кронштейн; 6 – болт, 12–15 Н•м; 7 – болт; 8 – генератор 75 А;…
Цель этого испытания состоит в том, чтобы проверить, что электронный регулятор напряжения поддерживает вырабатываемое напряжение на требуемом уровне. Подготовка к проверке ПОРЯДОК ВЫПОЛНЕНИЯ 1. Перед испытанием проверьте следующие элементы: установленная в автомобиле Hyundai Accent аккумуляторная…
1 – передняя крышка; 2 – передняя втулка; 3 – крышка; 4 – болт; 5 – соленоид тягового реле; 6 – плунжер; 7 – пружина; 8 – прокладка; 9 – рычаг; 10 – держатели;…
Снятие и установка ПОРЯДОК ВЫПОЛНЕНИЯ 1. Отверните гайки и снимите рычаги стеклоочистителей Hyundai Accent. 2. Снимите крышку, расположенную под ветровым стеклом. 3. Снимите двигатель стеклоочистителя Hyundai Accent. 4. Выверните болты и снимите механизм стеклоочистителя. 5. Установка…
Регулировка зазора шестерни ПОРЯДОК ВЫПОЛНЕНИЯ 1. Отсоедините провод от клеммы М. 2. Дополнительными проводами соедините клеммы аккумуляторной батареи с клеммами S и М. 3. Включите зажигание, при этом шестерня стартера Hyundai Accent выдвинется вперед….
Аккумуляторная батарея Hyundai Accent Тип MF 45 Ач MF 55 Ач Ампер часы (5HR) Более 36 Ач Более 44 Ач Ампер часы (20HR) Более 45 Ач Более 55 Ач Сила тока при проворачивании коленчатого…
Передние динамики Hyundai Accent ПОРЯДОК ВЫПОЛНЕНИЯ 1. Снимите обивку передней двери, выверните винты и снимите динамик Hyundai Accent. 2. Установка проводится в последовательности, обратной снятию. Задние динамики Hyundai Accent ПОРЯДОК ВЫПОЛНЕНИЯ 1. Снимите заднюю полку. Выверните винты…
Эта проверка позволяет определить надежность соединения клеммы «B» генератора Hyundai Accent с положительной клеммой аккумуляторной батареи. Подготовка к проверке ПОРЯДОК ВЫПОЛНЕНИЯ 1. Включите зажигание. 2. Подсоедините цифровой вольтметр к клемме «B» генератора и к положительной…
ПОРЯДОК ВЫПОЛНЕНИЯ 1. Обычная электрическая цепь Hyundai Accent состоит из элементов электрического оборудования, выключателей, реле, двигателей, предохранителей, плавких вставок и проводов и разъемов, которые соединяют все элементы между собой, аккумуляторной батареей и «массой» автомобиля. 2….
Hyundai Solaris

В данном разделе нашего сайты вы можете ознакомиться с электросхемами автомобиля Hyundai Solaris (Хендай Солярис).
Схема 1а.
Система управления двигателем: 1 – монтажный блок в моторном отсеке; 2 – электромагнитный клапан (ЭМК) системы изменения фаз газораспределения (CVVT); 3 – датчик положения распределительного вала; 4 – ЭМК системы улавливания паров топлива; 5 – управляющий датчик концентрации кислорода; 6 – диагностический датчик концентрации кислорода; 7 – электронный блок управления двигателем.
Схема 1б. Система управления двигателем: 1 – монтажный блок в моторном отсеке; 2, 3, 4, 5 – форсунки; 6 – датчик уровня топлива и топливный модуль; 7 – дроссельный узел; 8 – электронный блок управления двигателем.
Схема 1в. Система управления двигателем: 1 – монтажный блок в моторном отсеке; 2, 3, 4, 5 – катушки зажигания; 6 – конденсатор; 7 – комбинация приборов; 8 – электронный ключ зажигания; 9 – модуль иммобилизатора; 10 – электронный блок управления двигателем.
Схема 1г.
Система управления двигателем: 1 – монтажный блок в салоне автомобиля; 2 – система управления генератором (AMS); 3 – выключатель стоп-сигнала; 4 – датчик температуры охлаждающей жидкости; 5 – датчик давления в системе кондиционирования; 6 – датчик положения коленчатого вала; 7 – модуль управления трансмиссией; 8 – реле стоп-сигнала; 9 – электронный блок управления двигателем.
Схема 2. Система пуска двигателя без электронного ключа: 1 – аккумуляторная батарея; 2 – монтажный блок в моторном отсеке; 3 – выключатель (замок) зажигания; 4 – монтажный блок в салоне автомобиля; 5 – модуль управления зажиганием; 6 – селектор автоматической коробки передач; 7 – стартер; 8, 9 – электронный блок управления двигателем.
Схема 3.
Система пуска двигателя с электронным ключом: 1 – аккумуляторная батарея; 2 – монтажный блок в моторном отсеке; 3 – электронный блок управления двигателем; 4 – селектор автоматической коробки передач; 5 – монтажный блок в салоне автомобиля; 6 – кнопка пуска и остановки двигателя; 7 – стартер; 8 – электронный блок управления двигателем; 9 – модуль управления кнопкой пуска и остановки двигателя.
Схема 4. Система охлаждения: 1 – монтажный блок в моторном отсеке; 2 – электровентилятор системы охлаждения двигателя; 3 – датчик температуры охлаждающей жидкости; 4 – электронный блок управления двигателем.
Схема 5. Система зарядки без AMS: 1 – аккумуляторная батарея; 2 – монтажный блок в моторном отсеке; 3 – монтажный блок в салоне автомобиля; 4 – комбинация приборов; 5 – электронный блок управления двигателем; 6 – генератор; 7 – модуль управления подушками безопасности.
Схема 6. Система зарядки с AMS: 1 – аккумуляторная батарея; 2 – монтажный блок в моторном отсеке; 3 – монтажный блок в салоне автомобиля; 4 – комбинация приборов; 5 – система управления генератором (AMS); 6 – электронный блок управления двигателем; 7 – генератор; 8 – модуль управления подушками безопасности.
Схема 7.
Модуль управления электрооборудованием кузова:1 – монтажный блок в салоне автомобиля; 2 – модуль управления электрооборудованием кузова; 3 – комбинация приборов; 4 – сигнализатор незакрытых дверей; 5 – концевой выключатель левой задней двери; 6 – концевой выключатель правой задней двери; 7 – концевой выключатель пассажирской двери; 8 – концевой выключатель двери водителя.
Схема 8. Иммобилизатор: 1 – антенный блок иммобилизатора; 2 – блок реле и предохранителей в моторном отсеке; 3 – блок реле и предохранителей в салоне автомобиля; 4 – модуль иммобилизатора; 5 – комбинация приборов; 6 – электронный блок управления двигателем.
Схема 9. Задний противотуманный свет: 1 – монтажный блок в салоне автомобиля; 2 – модуль управления кузовным электрооборудованием; 3 – переключатель наружного освещения и указателей поворота; 4 – комбинация приборов; 5, 6 – левые задние фонари; 7 – правый задний фонарь.
Схема 10. Передние противотуманные фары: 1 – монтажный блок в салоне автомобиля; 2 – левая передняя противотуманная фара; 3 – правая передняя противотуманная фара; 4 – комбинация приборов; 5 – модуль управления электрооборудованием кузова; 6 – переключатель наружного освещения и указателей поворота.
Схема 11. Электрокорректор света фар: 1 – монтажный блок в салоне автомобиля; 2 – регулятор электрокорректора света фар; 3 – левый электрокорректор; 4 – правый электрокорректор.
Схема 12. Привод замков дверей с блоком BCM: 1 – модуль управления электрооборудованием кузова; 2 – привод замка двери задка; 3 – привод замка двери водителя; 4 – привод замка левой задней двери; 5 – привод замка правой задней двери; 6 – привод замка двери переднего пассажира.
Схема 13. Привод замков дверей без блока BCM: 1 – монтажный блок в салоне автомобиля; 2 – привод замка двери водителя; 3 – привод замка двери задка; 4 – привод замка левой задней двери; 5 – привод замка правой задней двери; 6 – привод замка двери переднего пассажира.
Схема 14.
Габаритные огни и освещение номерного знака: 1 – монтажный блок в салоне автомобиля; 2 – модуль управления электрооборудованием кузова; 3 – лампа габаритного огня левой фары; 4 – левая лампа освещения номерного знака; 5 – лампа габаритного огня правой фары; 6 – соединительная колодка; 7 – подрулевой переключатель наружного освещения и указателей поворота; 8 – лампа габаритного огня левого заднего фонаря; 9 – правая лампа освещения номерного знака; 10 – лампа габаритного огня правого заднего фонаря; 11 – комбинация приборов.
Схема 15. Блок-фара: 1 – монтажный блок в салоне автомобиля; 2 – лампы ближнего и дальнего света левой фары; 3 – комбинация приборов; 4 – лампы ближнего и дальнего света правой фары; 5 – подрулевой переключатель наружного освещения и указателей поворота; 6 – электронный блок управления двигателем.
Схема 16.
Свет заднего хода: 1 – монтажный блок в салоне автомобиля; 2 – монтажный блок в моторном отсеке; 3 – комбинация приборов; 4 – выключатель света заднего хода; 5 – селектор автоматической коробки передач; 6 – модуль управления трансмиссией; 7, 8 – лампа габаритного огня правого заднего фонаря; 9, 10 – лампа габаритного огня левого заднего фонаря; 11 – модуль управления электрооборудованием кузова; 12 – зеркало заднего вида с функцией автоматического затемнения.
Схема 17.
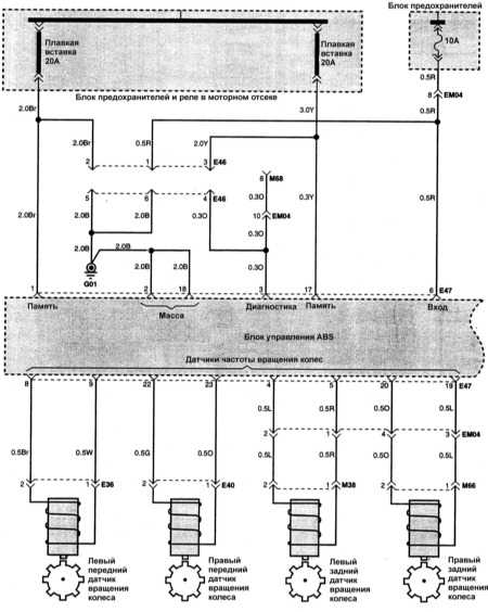
Cистема ABS: 1 – монтажный блок в моторном отсеке; 2 – монтажный блок в салоне автомобиля; 3 – выключатель стоп-сигнала; 4 – реле ламп стоп-сигнала; 5 – модуль контроля включения блокировки руля; 6 – электронный ключ зажигания; 7 – гидроэлектронный модуль ABS; 8 – модуль управления трансмиссией; 9, 11 – электронный блок управления двигателем; 10 – модуль управления системой ESP.
Схема 18. Cтоп-сигналы автомобиля без системы ABS: 1 – реле ламп стоп-сигнала; 2, 5 – правый задний фонарь; 3, 6 – левый задний фонарь; 4, 7 – дополнительный стоп-сигнал.
Схема 19а. Аудиосистема: 1 – микрофон; 2 – монтажный блок в салоне автомобиля; 3 – головное устройство аудиосистемы; 4 – контактное кольцо; 5 – блок управления аудиосистемой на рулевом колесе.
Схема 19б.
Аудиосистема: 1 – блок подключения мультимедийных устройств; 2 – головное устройство аудиосистемы; 3 – динамик, расположенный в обивке двери водителя; 4 – левый передний высокочастотный динамик; 5 – динамик, расположенный в обивке двери переднего пассажира; 6 – правый передний высокочастотный динамик; 7 – динамик, расположенный в обивке левой задней двери; 8 – динамик, расположенный в обивке правой задней двери.
Схема 20. Стеклоочистители и стеклоомыватель ветрового окна: 1 – электронасос омывателя; 2 – монтажный блок в салоне автомобиля; 3 – монтажный блок в моторном отсеке; 4 – моторедуктор переднего стеклоочистителя; 5 – электронный блок управления двигателем; 6 – переключатель стеклоочистителя и стеклоомывателя ветрового окна.
Схема 21.
Электростеклоподъемник двери водителя (с интеллектуальным модулем привода): 1 – блок реле и предохранителей в моторном отсеке; 2 – блок управления стеклоподъемниками, зеркалами заднего вида и блокировкой замков дверей (с интеллектуальным модулем привода стеклоподъемников); 3 – интеллектуальный модуль привода стеклоподъемника двери водителя; 4 – блок реле и предохранителей в салоне автомобиля.
Схема 22.
Электростеклоподъемник передней пассажирской двери (с интеллектуальным модулем привода): 1 – интеллектуальный модуль привода стеклоподъемника передней пассажирской двери; 2 – блок управления стеклоподъемниками, зеркалами заднего вида и блокировкой замков дверей (с интеллектуальным модулем приводов стеклоподъемников); 3 – клавиша управления электростеклоподъемником передней пассажирской двери.
Схема 23.
Электростеклоподъемники задних дверей (с интеллектуальным модулем приводов): 1 – блок управления стеклоподъемниками, зеркалами заднего вида и блокировкой замков дверей (с интеллектуальным модулем приводов стеклоподъемников); 2 – интеллектуальный модуль привода стеклоподъемника правой задней двери; 3 – клавиша управления электростеклоподъемником правой задней двери; 4 – клавиша управления электростеклоподъемником левой задней двери; 5 – интеллектуальный модуль привода стеклоподъемника левой задней двери.
Схема 24. Электростеклоподъемник двери водителя (без интеллектуального модуля привода стеклоподъемников): 1 – блок реле и предохранителей в моторном отсеке; 2 – блок реле и предохранителей в салоне автомобиля; 3 – блок управления стеклоподъемниками, зеркалами заднего вида и блокировкой замков дверей; 4 – электродвигатель стеклоподъемника двери водителя.
Схема 25.
Электростеклоподъемники передней пассажирской и задних дверей (без интеллектуального модуля привода стеклоподъемников): 1 – блок управления стеклоподъемниками, зеркалами заднего вида и блокировкой замков дверей; 2 – клавиша управления электростеклоподъемником правой задней двери; 3 – электродвигатель стеклоподъемника правой задней двери; 4 – клавиша управления электростеклоподъемником передней пассажирской двери; 5 – электродвигатель стеклоподъемника передней пассажирской двери; 6 – клавиша управления электростеклоподъемником левой задней двери; 7 – электродвигатель стеклоподъемника передней пассажирской двери.
Схема 26. Звуковой сигнал: 1 – блок реле и предохранителей в моторном отсеке; 2 – сигнал высокого тона; 3 – сигнал низкого тона; 4 – контактное кольцо подушки безопасности; 5 – клавиша включения звукового сигнала.
Hyundai Accent. электрооборудование предохранители и реле генератор и стартер лампы электросхемы – PDF

Chevrolet Lanos электрооборудование предохранители и реле генератор и стартер лампы электросхемы УДК 629.114.6.004.5 ББК 39.808 Э45 ООО «Книжное издательство «За рулем» Редакция «Своими силами» Главный
Подробнее
Chevrolet Lacetti электрооборудование предохранители и реле свечи лампы электросхемы УДК 629.114.6.004.5 ББК 39.808 Э45 ООО «Книжное издательство «За рулем» Редакция «Своими силами» Главный редактор Ведущий
Подробнее
Daewoo Nexia электрооборудование предохранители и реле генератор и стартер лампы электросхемы УДК 629.114.6.004.5 ББК 39.808 Э45 ООО «Книжное издательство «За рулем» Редакция «Своими силами» Главный редактор
Подробнее
5.2.2. Неисправности электрооборудования Чаще всего при повседневной эксплуатации автомобиля встречаются неисправности электрооборудования. По объективным причинам ремонт электрооборудования должны проводить
Подробнее
Схема электрооборудования 1- блок-фары; 2- моторедукторы очистителей фар*; 3- противотуманные фары*; 1 / 11 4- датчик температуры окружающего воздуха; 5- звуковые сигналы; 6- выключатель лампы освещения
Подробнее
9.3 Генератор Особенности конструкции Генератор типа 9402.3701-01 переменного тока, трехфазный, со встроенным выпрямительным блоком и электронным регулятором напряжения, правого вращения (со стороны привода).
Подробнее
Chevrolet Lacetti электрооборудование предохранители и реле свечи лампы электросхемы ЭЛЕКТРООБОРУДОВАНИЕ CHEVROLET LACETTI УДК 629.114.6.004.5 ББК 39.808 Э45 ООО «Книжное издательство «За рулем» Редакция
Подробнее
ОАО АВТОВАЗ LADA 11174 LADA 11184 LADA 11194 Альбом является дополнением к технологической документации автомобилей LADA 14 цветных схем электрических соединений жгутов проводов СХЕМЫ ЭЛЕКТРИЧЕСКИХ СОЕДИНЕНИЙ
Подробнее
Схема электрооборудования 1- блок-фара; 2- электродвигатели очистителей фар; 1/9 3- противотуманные фары; 4- выключатель подкапотной лампы; 5- звуковой сигнал; 6- электродвигатель вентилятора системы охлаждения
Подробнее
Схема электрооборудования 1- блок-фары; 2- датчик износа колодок передних тормозов; 3- датчик включения электродвигателя вентилятора; 1/8 4- электродвигатель вентилятора системы охлаждения двигателя; 5-
Подробнее
СОДЕРЖАНИЕ БЛОК ПРЕДОХРАНИТЕЛЕЙ В САЛОНЕ (1016) 2 РЕЛЕ ДОПОЛНИТЕЛЬНОГО ОТОПИТЕЛЯ САЛОНА (1067-1068) 8 РЕЛЕ ОБОГРЕВА ЗАДНЕГО СТЕКЛА (235) НА ПЛАТЕ (299) 9 ЦЕНТРАЛЬНЫЙ ЭЛЕКТРОННЫЙ КОММУНИКАЦИОННЫЙ БЛОК В
Подробнее
14.1. Техническая характеристика Аккумулятор 12 В, 200 A Генератор Трехфазный генератор имеет встроенный электронный регулятор. Марка и тип: Bosch 0 120 489 29; Mitsubishi A 002 T 27 091; Paris-Rhone A
Подробнее
Автомобили LADA www.autosphere.ru LADA 2170 Альбом является дополнением к технологической документации автомобилей LADA 8 цветных схем электрических соединений жгутов проводов СХЕМЫ ЭЛЕКТРИЧЕСКИХ СОЕДИНЕНИЙ
Подробнее
_ + АЛЬБОМ ЭЛЕКТРОСХЕМ СХЕМА ЭЛЕКТРИЧЕСКИХ СОЕДИНЕНИЙ ЖГУТА ПРОВОДОВ ПЕРЕДНЕГО -00- / / / /0 / / 0 0/ / / / 0 0 0 / / S /0 / 0/ / 0/ 0/ 0/ 0 / / / 0 0 0 0 0 /+ S / / / / S S S 0/ 0/ / / / / S / / 0 / /
Подробнее
УДК 69..6.00. ББК 9.808 Э ООО «Книжное издательство «За рулем» Редакция «Своими силами» Главный редактор Ведущий редактор Редактор Фотограф Художник Алексей Ревин Виктор Леликов Юрий Кубышкин Георгий Спиридонов
Подробнее
70-1 ГЛАВА 70 РАСПОЛОЖЕНИЕ ЭЛЕМЕНТОВ СОДЕРЖАНИЕ ЭЛЕКТРОННЫЕ БЛОКИ УПРАВЛЕНИЯ (EU)………. 70-2 РЕЛЕ…………………. 70-6 ДАТЧИКИ………………. 70-7 ПЛАВКИЕ ВСТАВКИ И ПРЕДОХРАНИТЕЛИ………
Подробнее
Схема электрооборудования 1- блок-фары; 2- боковые указатели поворота; 1/9 3- аккумуляторная батарея; 4- реле включения стартера; 5- электропневмоклапан карбюратора; 6- микровыключатель карбюратора; 7-
Подробнее
14.1. Ключ к электрическим схемам все модели с 1986 г. N Описание Номера координат E1 Габаритный фонарь, левый 235 E2 Задний фонарь, левый 237, 440 E3 Освещение номерного знака 238, 451 E4 Габаритный фонарь,
Подробнее
Условные обозначения элементов на схемах электрооборудования автомобилей «Волга» с двигателем ЗМЗ-4062 А9 Модуль погружного насоса (ЗМЗ-40621) В1 Датчик указателя давления масла В2 Датчик сигнализатора
Подробнее
Автомобили ВАЗ www.autosphere.ru альбом электросхем Приложение к Технологии технического обслуживания и ремонта автомобиля ВАЗ – 11183 12 цветных схем электрических соединений СХЕМЫ ЭЛЕКТРИЧЕСКИХ СОЕДИНЕНИЙ
Подробнее
14.3. Ключ к электрическим схемам все модели с 1990 г. N Описание Номера координат E1 Габаритный фонарь, левый 328 E2 Задний фонарь, левый 329, 550 E3 Освещение номерного знака 335 E4 Габаритный фонарь,
Подробнее
Lada Kalina электрооборудование предохранители и реле генератор и стартер лампы электросхемы УДК 629.114.6.004.5 ББК 39.808 Э45 ООО «Книжное издательство «За рулем» Редакция «Своими силами» Главный редактор
Подробнее
2 Honda CIVIC 1 2 3 4 6 3 10 11 12 13 14 1 16 17 18 19 20 2 Реле вентилятора конденсатора кондиционера Габаритные огни Плафоны освещения салона Злектрический вентилятор системы охлаждения Аварийная световая
Подробнее
Автомобили LADA LADA PRIORA 21723 Аль бом яв ля ет ся до пол не ни ем к тех но ло ги чес кой до ку мен та ции ав то мо би лей LADA 9 цветных схем электрических соединений жгутов проводов СХЕМЫ ЭЛЕКТРИЧЕСКИХ
Подробнее
Расположение монтажных блоков и предохранителей может отличаться, все зависит от комплектации вашего автомобиля. Расположение компонентов автомобиля. 1 Электронный блок управления ABS 2 Электронный блок
Подробнее
СОДЕРЖАНИЕ. ИНСТРУКЦИЯ ПО ЭКСПЛУАТАЦИИ Общие сведения об автомобиле… Панель приборов… 5 Действия при возникновении неисправностей… 20 2. ТЕХНИЧЕСКОЕ ОБСЛУЖИВАНИЕ Обзор моторного отсека…2 25 Основные
Подробнее
Жгуты автомобилей LADA 2113, 2114, 2115 Жгут панели приборов – 2115-3724030-50 Жгут передний – 2114-3724010 Жгут передний – 2114-3724010-10 Жгут задний – 2113-3724210-21 Жгут задний – 2114-3724210-11 Жгут
Подробнее
Жгут в сборе – 21053-3724030 Жгут щитка в сборе – 21053-3724035-42 Жгут в сборе – 21073-3724030-30 Жгут в сборе – 21053-3724017-10 Жгут в сборе – 21073-3724017-10 Жгут в сборе – 21073-3724016-10 Жгут плоский
Подробнее
Volkswagen Passat B5 13.9. Система зарядки ОБЩИЕ СВЕДЕНИЯ Если контрольная лампа зарядки аккумулятора не горит при включении зажигания, проверьте подключение проводов к генератору и целостность контрольной
Подробнее
ОАО “АВТОВАЗ” L KLIN СХЕМЫ ЭЛЕКТРИЧЕСКИХ СОЕДИНЕНИЙ АВТОМОБИЛЕЙ L KLIN, АЛЬБОМ ЭЛЕКТРОСХЕМ Схемы электрических соединений автомобилей L KLIN,. Альбом электросхем /П.Н. Христов, Д.А. Прудских, В.А. Зимин,
Подробнее
Плавкие предохранители ЗАМЕНА ПЛАВКОГО ПРЕДОХРАНИТЕЛЯ ПРЕДОСТЕРЕЖЕНИЯ При замене устанавливайте предохранители номинала и типа, разрешенного Land Rover, или предохранители с соответствующими характеристиками.
Подробнее
СОДЕРЖАНИЕ СОДЕРЖАНИЕ ГЛАВА. РУКОВОДСТВО ПО ЭКСПЛУАТАЦИИ. Перед началом движения…. Органы управления и контроля…. Техническое обслуживание автомобиля… ГЛАВА. ДВИГАТЕЛЬ. Технические характеристики….
Подробнее
Данный файл скачан с сайта www.vaz04.ru vaz04.ru – это клуб любителей ВАЗ-2104 В него входят автолюбители из России, Украины, Казахстана и других стран ближнего и дальнего зарубежья. Здесь вы найдете много
Подробнее
80-1 ˆ 80 КОНСТРУКТИВНАЯ СХЕМА ОБЩЕЕ РАСПОЛОЖЕНИЕ КОМПОНЕНТОВ…………. 80-2 МОТОРНЫЙ ОТСЕК………. 80-3 ДВИГАТЕЛЬ И КОРОБКА ПЕРЕДАЧ 80-5 ПАНЕЛЬ УПРАВЛЕНИЯ…….. 80-6 ПОЛ…………………..
Подробнее
Схема электрических соединений дополнительного левого (левой передней двери) 1- колодка дополнительного левого к жгуту заднему; 2- колодка дополнительного левого к громкоговорителю переднему левому; 3-
Подробнее
СОДЕРЖАНИЕ СОДЕРЖАНИЕ 1. РУКОВОДСТВО ПО ЭКСПЛУАТАЦИИ Общие сведения об автомобиле… 1 1 Контрольно-измерительные приборы и индикаторы… 1 2 Средства управления автомобилем… 1 7 Оборудование автомобиля…
Подробнее
Очиститель и омыватель ветрового стекла Очиститель ветрового стекла 1 – задняя втулка вала якоря 2 – войлочное кольцо 3 – корпус электродвигателя 4 – постоянный магнит; 5 – якорь 6 – коллектор 7 – траверса
Подробнее
80-1 ГРУППА 80 СХЕМЫ КОМПОНОВКИ СОДЕРЖАНИЕ ОБЩАЯ СХЕМА КОМПОНОВКИ.. 80-2 МОТОРНЫЙ ОТСЕК…………. 80-3 ДВИГАТЕЛЬ И КОРОБКА ПЕРЕДАЧ………………… 80-4 ПРИБОРНАЯ ПАНЕЛЬ……….. 80-6 ПОЛ И ПОТОЛОК……………
Подробнее
11.2.2. Ключ к электросхемам N Описание Трасса E1 Габаритный фонарь, левый 338 E2 Задний фонарь, левый 341 E3 Освещение номерного знака 347 350 E4 Габаритный фонарь, правый 352 E5 Задний фонарь, правый
Подробнее
СОДЕРЖАНИЕ ГЛАВА 1. ИНСТРУКЦИЯ ПО ЭКСПЛУАТАЦИИ Общие сведения…1 1 Эксплуатация автомобиля…1 2 Общие правила технического обслуживания…1 21 ГЛАВА 2. ДВИГАТЕЛЬ Общие сведения…2 1 Техническое обслуживание…
Подробнее
Перед заменой предохранителя отключить соответствующий переключатель или выключить зажигание. Неисправный предохранитель (см. рис. справа) можно распознать по перегоревшей плавкой нити. Замену предохранителя
Подробнее
Предохр анители РАСПОЛОЖЕНИЕ БЛОКОВ ПРЕДОХРАНИТЕЛЕЙ Не допускайте попадания влаги в блок предохранителей при снятой крышке и ставьте крышку на место при первой возможности. 239 Моторный отсек доступ к
Подробнее
Расположение органов управления и приборов показано на рис 5. 1. комбинация приборов (комбинация приборов с ЖКИ см. Приложение 15); 2. контрольная лампа включения габаритного света. Загорается зеленым
Подробнее
Предохранители РАСПОЛОЖЕНИЕ БЛОКОВ ПРЕДОХРАНИТЕЛЕЙ 1. Блок предохранителей в моторном отсеке. 2. Блок предохранителей в салоне. 3. Блок предохранителей в багажном отделении. Доступ к блоку предохранителей
Подробнее
BERLINGO (B9) D4EA01VRP0 Презентация : Коммутационная… Стр. 1 из 7 17.07.2013 9:55 ПРЕЗЕНТАЦИЯ : КОММУТАЦИОННАЯ ПЛАТА БЛОК ПРЕДОХРАНИТЕЛЕЙ В МОТОРНОМ ОТСЕКЕ (PSF1) 1. Презентация Размещение Коммутационная
Подробнее
Нагар на свечах зажигания после работы прогретого двигателя. На двигателях ВАЗ и УЗАМ вынимаем центральный высоковольтный провод из крышки распределителя и. Отличия выпускной системы автомобилей с двигателем
Подробнее
1 2 ÑÎÄÅÐÆÀÍÈÅ 1. ИНСТРУКЦИЯ ПО ЭКСПЛУАТАЦИИ Общие сведения о транспортном средстве… 1 1 Эксплуатация транспортного средства… 1 13 Вождение транспортного средства… 1 25 Действия необходимые для экстренного
Подробнее
АПС-6 и системы дистанционного электропакетом “Норма” на автомобиле ВАЗ-11183 1 / 18 1- контакты 33-клемных колодок переднего и 2- контакты 3-клемных колодок переднего и 3- выключатель лампы света 4- указатель
Подробнее
Volkswagen Touareg Предохранители Замена По бокам передней панели размещены монтажные блоки с предохранителями. По таблице стр 73 установите, в каком монтажном блоке и под каким номером находится неисправный
Подробнее
R Предохранители РАСПОЛОЖЕНИЕ БЛОКОВ ПРЕДОХРАНИТЕЛЕЙ 1. Блок предохранителей в моторном отсеке. 2. Верхний блок предохранителей в салоне. 3. Нижний блок предохранителей в салоне. Для доступа к верхнему
Подробнее
Плавкие предохранители РАСПОЛОЖЕНИЕ БЛОКОВ ПРЕДОХРАНИТЕЛЕЙ Блок предохранителей в моторном отсеке 1 2 E80810 Снимите пластиковую крышку, нажав на язычки. На пластиковой крышке указаны номиналы и местоположения
Подробнее
70-1 ГРУППА 70 РАСПОЛОЖЕНИЕ ДЕТАЛЕЙ СОДЕРЖАНИЕ РЕЛЕ……………………. 70-2 EU…………………….. 70-3 ДАТЧИК………………….. 70-6 СОЛЕНОИД И ЭЛЕКТРОМАГ- НИТНЫЙ КЛАПАН…………..
Подробнее
Плавкие п редохранители РАСПОЛОЖЕНИЕ БЛОКОВ ПРЕДОХРАНИТЕЛЕЙ 1. Блок предохранителей в моторном отсеке. 2. Блок предохранителей в салоне. Для доступа к блоку предохранителей в салоне откройте перчаточный
Подробнее
14.26.4. Ключи к схемам ранних моделей Номер Е1 Е2 Е3 Е4 Е5 Е7 Е8 Е9 Е10 Е11 Е13 Е15 Е16 Е17 Е18 Е19 Е20 Е21 Е24 Е25 Е27 Е28 Е30 Е33 Е37 Описание Левый подфарник Левый габаритный огонь Лампочка освещения
Подробнее
52A-1 СОДЕРЖАНИЕ ОБОРУДОВАНИЕ САЛОНА… 52А ДОПОЛНИТЕЛЬНАЯ СИСТЕМА ПАССИВНОЙ БЕЗОПАСНОСТИ (SRS)… 52В 52A-2 СОДЕРЖАНИЕ ОСНОВНЫЕ ДАННЫЕ ДЛЯ РЕГУЛИРОВОК И КОНТРОЛЯ… 3 СПЕЦИАЛЬНЫЙ ИНСТРУМЕНТ… 3 ПАНЕЛЬ
Подробнее
Прайс-лист на ремонт фронтальных погрузчиков п/ п Наименование работ н/ч стоимос ть Двигатель 1 Двигатель – снятие и установка 12 10200 2 Втулки распределительного вала – притирка и расточка 1,75 1487,5
Подробнее
1 2 СОДЕРЖАНИЕ 1. РУКОВОДСТВО ПО ЭКСПЛУАТАЦИИ 1. Общие сведения об автомобиле… 1 1 2. Панель приборов и органы управления автомобиля…1 4 3. Оборудование автомобиля… 1 12 4. Действия в чрезвычайных
Подробнее
Стр. 1 из 9 Стр. 1 из 9 Caddy Месторасположение 803 / 1 Выпуск 03.2014 Предохранители в салоне Обзор блоков предохранителей в салоне 1 – Предохранители (SC) в блоке предохранителей С Монтажное положение
Подробнее
СОДЕРЖАНИЕ ГЛАВА. РУКОВОДСТВО ПО ЭКСПЛУАТАЦИИ. Основные сведения…. Меры предосторожности и эксплуатация нового автобуса…. Органы управления и контрольно-измерительные приборы… 4. Техническое обслуживание…
Подробнее
1 СОДЕРЖАНИЕ Введение…2 1. Требования безопасности и предупреждения…3 2. Техническая характеристика автомобиля…4 3. Эксплуатация и техническое обслуживание…7 3.1. Общие сведения…7 3.2. Приборы
Подробнее
СИСТЕМА УПРАВЛЕНИЯ ДВИГАТЕЛЕМ АВТОМОБИЛЕЙ ВАЗ-21083,-21093,-21099 Особенности устройства и ремонта Эта система управления двигателем имеет ряд отличий в размещении некоторых элементов. Так, изменился порядок
Подробнее
ЭКОНОМИМ НА СЕРВИСЕ OPEL CORSA ВЫПУСКА С 2006 ГОДА СВЕЧИ МАСЛО МЕНЯЕМ САМИ: КОЛОДКИ ПРЕДОХРАНИТЕЛИ ФИЛЬТРЫ ЛАМПЫ УДК 656.13.052 (075.5) ББК 39.808 О-60 О-60 Opel Corsa выпуска с 2006 года М. : ООО «Книжное
Подробнее
Предохранители РАСПОЛОЖЕНИЕ БЛОКОВ ПРЕДОХРАНИТЕЛЕЙ 274 Не допускайте попадания влаги в открытый блок предохранителей. Устанавливайте крышку и/или съемную панель на место при первой возможности. 1. Для
Подробнее
Хёндэ Акцент с 06 руководство по эксплуатации, техобслуживанию и ремонту

Система управления двигателем Двигатель оснащен системой распределенного впрыска топлива с электронным управлением. Электронный блок управления (ЭБУ) двигателем представляет собой мини-компьютер специального назначения.
Блок управления Он содержит три вида памяти — оперативное запоминающее устройство (ОЗУ), программируемое постоянное запоминающее устройство (ППЗУ) и электрически программируемое запоминающее устройство (ЭПЗУ). ОЗУ используется компьютером для хранения текущей информации о работе двигателя и ее обработки. Также в ОЗУ записываются коды возникающих неисправностей.
Эта память энергозависима, т. е. при отключении питания ее содержимое стирается. ППЗУ содержит собственно программу (алгоритм) работы компьютера и калибровочные данные (настройки). Таким образом, ППЗУ определяет важнейшие параметры работы двигателя: характер кривых момента и мощности, расход топлива и т. п. ППЗУ энергонезависима, т. е.
ее содержимое не изменяется при отключении питания. В ЭПЗУ записываются коды иммобилайзера при «обучении» ключей. Эта память также энергонезависима. Блок управления расположен в салоне под панелью приборов слева от ног водителя.
Датчики выдают электронному блоку управления информацию о параметрах работы двигателя и скорости автомобиля, на основании которых блок управления рассчитывает момент, длительность и порядок открытия форсунок а также момент искрообразования.
При выходе из строя отдельных датчиков или их цепей блок управления переходит на обходные алгоритмы работы; при этом могут ухудшиться некоторые параметры двигателя (мощность, приемистость, экономичность), но движение с такими неисправностями возможно.
Исключение составляет датчик положения коленчатого вала — при неисправности датчика или его цепей двигатель работать не может. Также двигатель не будет работать при одновременном выходе из строя нескольких датчиков. Датчики неремонтопригодны, при выходе из строя их заменяют.
Лампа неисправности системы управления двигателем в комбинации приборов информирует водителя о неисправностях, но не запрещает дальнейшее движение автомобиля. Если система исправна, то при включении зажигания лампа загорается и гаснет сразу после пуска двигателя.
Если она горит при работающем двигателе, в системе управления двигателем имеются неисправности, условные коды которых блок управления записывает в память (ОЗУ).
Если в дальнейшем неисправность пропала (например, восстановился контакт в цепи датчика), лампа может погаснуть; при этом код неисправности не стирается, а сохраняется в памяти и может быть считан с помощью диагностического оборудования, подключаемого к диагностическому разъему, расположенному справа от рулевой колонки под панелью приборов.
Диагностический разъем Чтобы стереть коды из памяти блока управления, необходимо отключить аккумуляторную батарею не менее чем на 10 с (или выбрать соответствующий режим на диагностическом приборе).
Отказ некоторых элементов систем питания (электробензонасоса и его цепи) и управления (модуля зажигания, свечей и высоковольтных проводов) не определяется блоком управления, и, следовательно, лампа неисправности системы управления двигателем при этом не загорается.
Датчик положения коленчатого вала Датчик положения коленчатого вала — индукционного типа — установлен на передней стороне блока цилиндров, рядом с картером сцепления. Он выдает блоку управления информацию об угловом положении и частоте вращения коленчатого вала. Датчик представляет собой катушку индуктивности, которая реагирует на прохождение зубьев задающего диска, закрепленного на коленчатом валу (рядом с пятой коренной шейкой) вблизи сердечника датчика. Два соседних зуба на диске срезаны так, что образуется впадина. При ее прохождении датчик генерирует так называемый «опорный» импульс синхронизации при каждом обороте коленчатого вала. Датчик положения распределительного вала Датчик положения распределительного вала (датчик фаз), представляющий собой датчик Холла, установлен слева на приливе головки блока цилиндров. Датчик реагирует на прохождение штифта, запрессованного в хвостовик распределительного вала впускных клапанов. Датчик выдает блоку управления информацию об угловом положении и частоте вращения распределительного вала. На основании информации выходных сигналов с датчиков положения коленчатого и распределительного валов блок управления устанавливает угол опережения зажигания и цилиндр, в который следует подать топливо. При выходе из строя датчика или его цепей загорается лампа неисправности системы управления двигателем.
Датчик температуры охлаждающей жидкости ввернут в головку блока цилиндров в районе четвертого цилиндра. Он представляет собой терморезистор с отрицательным температурным коэффициентом, т. е. его сопротивление уменьшается при повышении температуры.
Блок управления подает на датчик стабилизированное напряжение через резистор и по падению напряжения рассчитывает состав смеси.
При выходе из строя датчика или его цепей загорается лампа неисправности системы управления двигателем, а блок управления переводит вентилятор системы охлаждения двигателя и вентилятор теплообменника конденсатора на постоянный режим работы.
Датчик положения дроссельной заслонки Датчик положения дроссельной заслонки (ДПДЗ) — резистор с переменным сопротивлением, установленный на дроссельном узле. Сопротивление ДПДЗ изменяется в зависимости от положения дроссельной заслонки, с осью которой жестко соединен датчик. На один конец его обмотки подается стабилизированное напряжение +5 В, а другой конец соединен с «массой».
С третьего вывода потенциометра (ползунка) снимается сигнал для блока управления. При выходе из строя датчика или его цепей загорается лампа контроля системы управления двигателем. При этом функции датчика берет на себя датчик абсолютного давления и температуры воздуха во впускном трубопроводе.
Датчик абсолютного давления и температуры воздуха во впускном трубопроводе установлен в ресивере впускного трубопровода. Датчик содержит чувствительный переменный резистор для измерения давления и термистор, сопротивление которого изменяется в зависимости от температуры.
При выходе из строя датчика или его цепей загорается лампа неисправности системы управления двигателем, а функции датчика берет на себя ДПДЗ. Датчик абсолютного давления и температуры воздуха во впускном трубопроводе. Датчик детонации
Датчик детонации пьезоэлектрического типа закреплен болтом на задней стороне блока цилиндров. При возникновении высокочастотных колебаний блока цилиндров во время детонационного сгорания топлива в датчике возникают электрические сигналы, на основании которых блок управления регулирует опережение зажигания для устранения детонации.
Датчик концентрации кислорода Один из двух датчиков концентрации кислорода (лямбда-зондов) установлен в катколлекторе, другой — в промежуточной трубе системы выпуска. Кислород, содержащийся в отработавших газах, создает разность потенциалов на выходах датчиков, изменяющуюся от 0 до 1 В (бедная — богатая смесь).
По сигналам от датчиков блок управления корректирует подачу топлива форсунками в цилиндры, так чтобы состав отработавших газов был оптимальным для эффективной работы нейтрализатора. Для быстрого прогрева датчиков после запуска двигателя в них встроен нагревательный элемент.
При выходе из строя датчика или его цепей загорается лампа неисправности системы управления двигателем.
Датчик скорости автомобиля представляет собой геркон (герметизированный контакт), встроенный в спидометр. Датчик преобразует вращение троса привода спидометра в прямоугольные импульсы напряжения с частотой, пропорциональной скорости автомобиля.
Датчик неровной дороги, установленный на чашке правой передней амортизаторной стойки, улавливает тряску (вертикальные ускорения) автомобиля. Неровная дорога создает переменную нагрузку на трансмиссию, а через нее воздействует и на двигатель, вызывая неравномерность его работы.
В этом случае, для предупреждения ложного обнаружения пропусков воспламенения, блок управления использует сигнал датчика.
Система зажигания входит в систему управления двигателем. Она состоит из двух катушек зажигания, высоковольтных проводов и свечей зажигания. При эксплуатации система не требует обслуживания и регулировки (кроме свечей зажигания). Катушки зажигания установлены на кронштейне, закрепленном на левой стороне блока цилиндров.
К выводам высоковольтной обмотки одной катушки подсоединены свечные провода 1 и 4 цилиндров, к выводам другой — 2 и 3 цилиндров. Таким образом, искра одновременно проскакивает в двух цилиндрах (1-4 или 2-3) — в одном во время такта сжатия (рабочая искра), в другом во время такта выпуска (холостая).
Катушки зажигания неремонтопригодны, при выходе из строя их заменяют новым. Катушки зажигания (на корпусах катушек нанесены номера цилиндров) Свечи зажигания имеют помехоподавительный резистор (сопротивлением 4-10 кОм). Зазор между электродами составляет 1,0-1,1 мм. Работа системы управления.
Блок управления получает команду на запуск системы управления при включении зажигания. Если активирован иммобилайзер, то дополнительно проверяется, совпадает ли его кодовая посылка с кодом в памяти блока управления (при несовпадении двигатель не пустится).
Во время работы блок управления обрабатывает информацию от датчиков (положения коленчатого вала, положения дроссельной заслонки, давления и температуры воздуха во впускном трубопроводе, температуры охлаждающей жидкости, концентрации кислорода, детонации, скорости и неровной дороги).
В зависимости от режима работы двигателя блок управления выдает команды на форсунки, катушки зажигания, регулятор холостого хода, клапан продувки адсорбера, реле топливного насоса, электровентилятора радиатора системы охлаждения двигателя, электровентилятора теплообменника конденсатора и компрессора.
Угол опережения зажигания рассчитывается блоком управления в зависимости от частоты вращения коленчатого вала, нагрузки на двигатель (давление и температура воздуха во впускном трубопроводе и положение дроссельной заслонки), температуры охлаждающей жидкости, а также наличия детонации. Состав смеси регулируется длительностью управляющего импульса, подаваемого на форсунки (чем длиннее импульс, тем больше количество топлива).
При обслуживании и ремонте системы управления двигателем всегда выключайте зажигание (в некоторых случаях следует отсоединить аккумуляторную батарею), а при проведении сварочных работ на автомобиле отсоединяйте жгут проводов от блока управления.
Блок управления содержит электронные компоненты, которые могут быть повреждены статическим электричеством, поэтому не прикасайтесь руками к его выводам. Перед сушкой автомобиля в сушильной камере (после покраски) снимите блок управления.
На работающем двигателе не отсоединяйте и не поправляйте колодки жгутов проводов системы управления, а также клеммы проводов на выводах аккумуляторной батареи. Не пускайте двигатель, если клеммы проводов на выводах аккумуляторной батареи и «массовые» провода на двигателе не затянуты или загрязнены.




















































