Содержание
- 1 Замена проводки lada 2107 (ваз 2107)
- 1.1 Признаки неисправностей
- 1.2 Карбюраторный двигатель
- 1.3 Классическое зажигание
- 1.4 Электронное зажигание
- 1.5 Инжекторный двигатель
- 1.6 Заключение
- 1.7 Видео «Разборка электрической схемы автомобиля»
- 1.8 Электрическая схема монтажного блока реле и предохранителей автомобиля ВАЗ-2107:
- 1.9 Симптомы отказов
- 1.10 Карбюраторный двигатель
- 1.11 Классическое зажигание
- 1.12 Электронное зажигание
- 1.13 Инжекторный двигатель
- 1.14 В заключение
- 2 Электросхема ВАЗ 2107 c описанием скачать бесплатно
- 3 Схема электропроводки Ваз 2107
- 4 Поиск искры — схема электропроводки ВАЗ 2107 в помощь
- 5 Советы по поиску неисправностей в электрооборудовании приборов Ваз 2104-2105-2107
- 6 Электросхема машины ВАЗ 2107 карбюратор
- 7 Поиск неисправностей электрооборудования и их устранение на ВАЗ 2107: электросхема
Замена проводки lada 2107 (ваз 2107)
От исправности узлов и систем автомобиля зависит качество его работы. Современные машины напичканы электроникой, поэтому электрическая система требует большого внимания. В статье разбирается электросхема автомобиля ВАЗ 2107, признаки неисправности, а также рассматриваются особенности карбюраторных двигателей и с инжектором.
Признаки неисправностей
Если автомобиль отказывается ехать, возникают проблемы с электроприборами или электрической проводкой, эта дает повод для поиска и устранения неисправностей путем замены неисправных элементов.
Если машина не заводится, в первую очередь нужно проверить поступление топлива в карбюратор или топливную рамку инжектора.
Если топливо поступает, то проблему отказа авто ехать нужно искать в электросистеме с помощью электрической схемы:
Возможны проблемы из-за подгоревших контактов в замке зажигания. Для поиска неисправностей нужна схема электрооборудования автомобиля ВАЗ 2107 с указанием элементов, являющихся потребителями контактной группы.
Карбюраторный двигатель
Работа двигателя с карбюратором имеет классическую схему:
Принцип работы отражает электросхема двигателя с карбюратором.
Классическое зажигание
В контактную систему входят следующие элементы:
- выключатель;
- катушка;
- распределитель;
- высоковольтные провода;
- свечи.
Благодаря распределителю прерывается цепь первичной обмотки модуля зажигания, а затем высоковольтный ток распределяется в нужной последовательности на свечи. С помощью катушки низковольтный ток преобразуется в высоковольтный ток. Свечи воспламеняют топливную смесь в цилиндрах мотора.
Если при повороте ключа зажигания мотор не запускается, то причина может быть в следующем:
После выявления и устранения неисправности в карбюраторе двигатель должен завестись без проблем, если остальные узлы автомобиля исправны.
Электронное зажигание
На некоторых моделях ВАЗ 2107, которые были выпущены после 1987 года, была установлена бесконтактная система зажигания. Хотя автомобиль стоил дороже, но пользовался спросом. Новшество состояло в том, что между трамблером и катушкой устанавливался электронный коммутатор.
Бесконтактная система зажигания включает в себя:
- коммутатор;
- выключатель зажигания;
- катушку;
- датчик распределитель;
- высоковольтные провода;
- свечи.
С помощью датчика распределителя передаются управляющие сигналы на коммутатор для образования искры и распределяются импульсы высоковольтного тока по свечам.
Функция коммутатора — преобразовывать управляющие импульсы от бесконтактного датчика в импульсный ток, который поступает на первичную обмотку катушки.
Таким образом, он улучшает образование искры, если мотор работает на обедненной топливной смеси.
Проверяется коммутатор искрой. Если при проверке трамблер не получает импульс высокого напряжения, значит, коммутатор не исправен и требует замены.
Если после замены коммутатора на новый проблема осталась, то необходима замена электропроводки на ВАЗ 2107. Скорее всего, причина кроется в высоком сопротивлении жил проводки, это влечет за собой слабое образование искры.
Инжекторный двигатель
Инжекторный двигатель имеет следующие отличия от карбюраторного:
- электронасос, который служит для повышения давления в топливной системе (в двигателе с карбюратором давления нет, а насос установлен механический);
- топливная смесь образуется в самом цилиндре, а в классическом варианте в карбюраторе;
- за впрыск топлива в цилиндры отвечают электрические форсунки;
- момент, когда необходим впрыск смеси определяет ЭСУД (в карбюраторе смесь попадает при открытии впускного клапана).
В двигателе с инжектором большое количество электронных составляющих. Причиной отказа работы мотора может быть неисправность датчиков и проводки.
Найти неисправность в авто с инжектором можно самостоятельно:
- отключить датчик, вынув разъем;
- проверить сопротивление датчика с помощью тестера;
- сравнить полученные результаты с номинальными данными, которые можно взять из таблицы в прилагаемой к автомобилю инструкции.
Обнаружив неисправный датчик, его необходимо заменить.
Заключение
Таким образом, из статьи понятно, что зная принцип работы двигателя с карбюратором ВАЗ 2107, в частности с контактной и бесконтактной системой зажигания, и двигателя с инжектором, можно выявить причину отказа транспортного средства приходить в движение, если причина в электронике.
Зная причину отказа и имея опыт ремонтных работ, связанных с электропроводкой, водитель сможет починить свой автомобиль в дороге и вернуть его в рабочее состояние.
Видео «Разборка электрической схемы автомобиля»
В этом видео (автор MR.BORODA) рассказывается, как читать электросхему машины, помогает разобраться с проводкой.
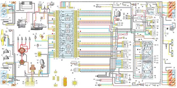
Схема электрооборудования автомобиля ВАЗ-2107. Нажмите на картинку для увеличения. Все подписи ниже под схемой.
1 – блок фары;
2 – боковые указатели поворота;
3 – аккумуляторная батарея;
4 – реле включения стартера;
5 – электропневмоклапан карбюратора;
6 – микропереключатель карбюратора;
7 – генератор 37.3701;
8 – моторедукторы очистителей фар*;
9 – датчик включения электродвигателя вентилятора;
10 – электродвигатель вентилятора системы охлаждения двигателя;
11 – звуковые сигналы;
12 – распределитель зажигания;
13 – свечи зажигания;
14 – стартер;
15 — датчик указателя температуры охлаждающей жидкости;
16 – подкапотная лампа;
17 – датчик сигнализатора недостаточного давления масла;
18 – датчик сигнализатора недостаточного уровня тормозной жидкости;
19 – моторедуктор очистителя ветрового стекла;
20 – блок управления электропневмоклапаном карбюратора;
21 – катушка зажигания;
22 – электродвигатель насоса омывателя фар*;
23 – электродвигатель насоса омывателя ветрового стекла;
24 – монтажный блок;
25 – реле очистителя ветрового стекла;
26 – реле аварийной сигнализации и указателей поворота;
27 – выключатель сигнала торможения;
28 – выключатель света заднего хода;
29 – реле зажигания;
30 – выключатель зажигания;
31 – трехрычажный переключатель;
32 – выключатель аварийной сигнализации;
33 – штепсельная розетка для переносной лампы**;
34 – переключатель вентилятора отопителя;
35 – дополнительный резистор электродвигателя отопителя;
36 – лампа сигнализатора включения обогрева заднего стекла;
37 – лампа сигнализатора недостаточного уровня тормозной жидкости;
38 – блок сигнализаторов;
39 – электродвигатель вентилятора отопителя;
40 – лампа освещения вещевого ящика;
41 – выключатели плафонов на стойках передних дверей;
42 – выключатели фонарей сигнализации открытых передних дверей***;
43 – фонари сигнализации открытых передних дверей***;
44 – соединительная колодка;
45 – прикуриватель;
46 – часы;
47 – выключатель освещения приборов;
48 – диод для проверки исправности лампы сигнализатора недостаточного уровня тормозной жидкости;
49 – указатель уровня топлива;
50 – лампа сигнализатора резерва топлива;
51 – спидометр;
52 – лампа сигнализатора включения указателей поворота;
53 – лампа сигнализатора приоткрытия воздушной заслонки карбюратора;
54 – лампа сигнализатора заряда аккумуляторной батареи;
55 – выключатель сигнализатора приоткрытия воздушной заслонки карбюратора; 56 – комбинация приборов;
57 – эконометр;
58 – выключатели плафона на стойках задних дверей;
59 – указатель температуры охлаждающей жидкости;
60 – тахометр;
61 – лампа сигнализатора включения стояночного тормоза;
62 – лампа сигнализатора недостаточного давления масла;
63 – лампа сигнализатора включения дальнего света фар;
64 – лампа сигнализатора включения наружного освещения;
65 – вольтметр;
66 – выключатель сигнализатора включения стояночного тормоза;
67 – выключатель наружного освещения;
68 – выключатель обогрева заднего стекла с лампой подсветки;
69 – выключатель заднего противотуманного света с сигнализатором включения*;
70 – предохранитель цепи противотуманного света;
71 – плафон****;
72 – задние фонари;
73 – датчик указателя уровня топлива и резерва топлива;
74 – колодки для подключения к элементу обогрева заднего стекла*;
75 – фонари освещения номерного знака.
Порядок условной нумерации штекеров в колодках : а – блок-фар, очистителей фар и ветрового стекла, реле очистителя ветрового стекла, блока управления электропневмоклапаном карбюратора; б – монтажного блока и трехрычажного переключателя; в – реле аварийной сигнализации и указателей поворота; г – задних фонарей (нумерация выводов по порядку от края платы); д – выключателя аварийной сигнализации.
_____________
* Устанавливаются на части выпускаемых автомобилей.
** С 2000 г. не устанавливается.
*** С 1998 г. не устанавливаются.
**** С 2000 г. вместо одного плафона на крыше устанавливаются два плафона на стойках дверей.
Электрическая схема монтажного блока реле и предохранителей автомобиля ВАЗ-2107:
R1 — реле включения обогрева заднего стекла; R2 — реле включения очистителей и омывателей фар; R3 — реле включения звукового сигнала; R4 — реле включения электродвигателя вентилятора системы охлаждения; R5 — реле включения дальнего света фар; R6 — реле включения ближнего света фар; F1 — F17 — предохранители
Электрические цепи автомобиля ВАЗ-2107, защищаемые предохранителями (в скобках номиналы предохранителей для монтажных блоков старого образца):
Эта статья содержит множество полезной информации для владельцев «семерки», которые самостоятельно обслуживают свой автомобиль. Также, тут будет представлена оригинальная схема электропроводки на ВАЗ 2107.
Речь в данной статье пойдет о поиске различных неисправностей в электрической системе, которые возникают в процессе эксплуатации, а также о том, как быстро устранить обнаруженные поломки.
Симптомы отказов
Выделяют 2 состояния электроники автомобиля, которые заставляют владельцев седьмой модели выискивать неисправности:
Когда при запуске авто двигатель не заводится, а бензин без проблем поступает в карбюратор либо топливную рамку инжектора, то причину отказа нужно искать в электрической системе:
- При карбюраторных версиях, опытный проверяющий сразу обратит внимание на катушку зажигания, трамблер и свечи. Не менее важна и подкапотная проводка ВАЗ 2107;
- При инжекторных версиях причиной отказа чаще всего является ЭСУД, которая обрабатывает сигналы датчиков, а далее подает команды для исполнительных механизмов.
Обратите внимание! Довольно часто причиной отказа при запуске мотора могут выступать подгоревшие контакты в замке зажигания. Для выяснения, в какой именно цепи неисправность, необходима заводская схема проводки на ВАЗ 2107. В ней будет указан конкретный потребитель контактной группы и другая полезная информация.
Карбюраторный двигатель
Сама система зажигания авто данной модификации построена согласно классической схеме:
- Поворачивая ключ в замке в режим запуска «Стартер», электропитание подается на его клеммы;
- Стартер приводит в действие коленвал и всю поршневую группу;
- Одновременно приводится в действие генератор;
- Питание с генератора поступает на катушку, а она в свою очередь, вырабатывает электрический импульс, передавая его к трамблеру через провод высокого напряжения. См. публикацию — принципиальная схема электропроводки;
- Коленвал двигателя вращает привод трамблера, бегунок которого попеременно замыкает контакты, передавая электрический разряд к свечам зажигания (видео его работы можно увидеть в данной статье).
Классическое зажигание
Естественно, когда запустить двигатель не получается, следует искать причины, такие как:
- Отказ электрической цепи между генератором и катушкой зажигания (здесь важно как следует проверить контакты, а также состояние проводки);
- Отказ катушки зажигания (следует проверить ее работоспособность «на искру» , т.е извлечь провод непосредственно из трамблера, далее поднести его к металлическим деталям моторного отсека). Если во время вращения двигателя стартером искра все же проскакивает, значит, данная катушка исправна. См. статью — нюансы работы ВАЗ;
- Неисправность цепей трамблера, а также свечей зажигания. Тут потребует проверки электропроводка ВАЗ 2107, начиная от крышки трамблера до свечей. Так же следует проверить внутренний бегунок (тот, что внутри крышки), и естественно свечи автомобиля.
Электронное зажигание
Обратите внимание: некоторые модели ВАЗ 2107 выпускаемые после 1987 года имели бесконтактную систему зажигания. При этом цена авто была дороже, но ценилась автовладельцами за свою новизну.
Электронный коммутатор устанавливали в цепи между катушкой и трамблером. Его предназначение в улучшении искрообразования во время работы двигателя на обедненной смеси. Вы можете изучить на фото, как построена электрическая схема проводки ВАЗ 2107 на карбюратор, оснащенная бесконтактной системой зажигания.
Когда во время проверки «на искру» в трамблере высоковольтный импульс отсутствует, нужно произвести замену коммутатора.
Совет: если установка новенького коммутатора не решит проблему, тогда потребуется полная или частичная замена проводки ВАЗ 2107. Скорее всего сопротивление жил в родной проводке слишком велико, что в свою очередь приводит к очень слабому образованию искр.
Инжекторный двигатель
Эта модификация отличается множеством электронных компонентов. Тут отказы встречаются при неисправности датчиков и различных соединительных проводов.
Найти своими руками точную причину отказа можно лишь неукоснительно соблюдая следующие действия:
В заключение
Понимание принципов работы классической, а также бесконтактной системы в автомобиле ВАЗ 2107 поможет действительно быстро определить причины отказа. Так, вы избежите трудного положения в дорожной ситуации, так как сможете быстро вернуть в строй свой автомобиль. Удачи на дорогах!
Электросхема ВАЗ 2107 c описанием скачать бесплатно

Пояснения обозначений:
C появлением на отечественном авторынке новой модели ВАЗ 21074, оснащенной инжекторным двигателем, и у специалистов, и у автолюбителей возникла необходимость освоения эл. схемы этой машины, имеющей ряд принципиальных отличий от ее предшественников. Вот как выглядит подкапотное пространство ВАЗ 2107 с инжекторным двигателем:
Описание основных элементов и электропроводки, из которых состоит электросхема, есть в стандартной инструкции ВАЗ 2107. Можно отметить несколько отличительных особенностей этой модели от более ранних:
Основной причиной того, что электросхема пополнилась большим количеством дополнительного электрооборудования является использование в ВАЗ 21074 принципиально новой системы питания. Рассмотрим подробнее, чем эл. схема инжекторного двигателя отличается от карбюраторного:
- Инжектор подразумевает постоянное наличие давления в системе питания, которое создается электрическим топливным насосом.
- Воздушно-топливная смесь получается путем смешивания бензина и воздуха непосредственно в цилиндре.
- В инжекторном двигателе впрыск топлива осуществляется при помощи форсунок.
- Впрыск управляется электронной системой, в то время как в карбюраторном топливная смесь попадает в цилиндры благодаря создаваемому разрежению.
Ниже представлена схема системы питания инжекторного двигателя.
Электросхема в упрощенном виде состоит из следующих основных элементов:
1 — Диагностический разъем, предназначенный для подключения тестера или компьютера.
2 — Тахометр.
3 — Лампа контроля работоспособности двигателя.
4 — Датчик воздушной заслонки.
6 – мотор вентилятора охлаждения радиатора.
7 – Реле управления электродвигателем вентилятора.
8 — Блок управления двигателем.
9 – Электрическая катушка зажигания.
11 – Свечи зажигания.
13 – Эл. датчик коленчатого вала.
14 – Реле управления электрическим топливным насосом.
16 – Электрический топливный насос.
20 – Фильтр для очистки топлива.
24 – Аккумулятор.
25 – Замок зажигания.
26 – Форсунки.
29 – Датчик холостого хода.
Для более углубленного изучения электрооборудования автомобиля ВАЗ 2107 инжектор может быть также использована полная принципиальная эл. схема электропроводки.
Электросхема содержит следующие элементы, обозначенные номерами:
Отдельного внимания требует схема зарядки аккумуляторной батареи.
Пропадание зарядки грозит постепенной посадкой аккумулятора и аварийной остановкой двигателя. Поэтому сразу, как только вы заметите, что засветилась контрольная лампа зарядки. Необходимо незамедлительно принять меры по выявлению и устранению неисправности.
Если же по каким либо причинам аккумулятор оказался разряжен, необходимо подключить его к специальному устройству для зарядки аккумуляторов. Такой прибор окажется очень полезным для владельцев подержанных автомобилей, с длительно эксплуатируемым аккумулятором. Некоторые зарядные устройства, кроме зарядки, позволяют осуществлять пуск автомобиля.
Разобраться с устройством системы управления двигателем поможет следующая электрическая схема.
Следует отметить, что эл. схема инжекторного двигателя достаточно сложна, и самостоятельный поиск неисправностей в ней очень затруднен. Поэтому рекомендуется выполнение диагностики электрооборудования на специализированных СТО, с использованием специального тестера или компьютера с диагностической программой.
Но элементарные вещи, такие как замена сгоревших предохранителей или ламп, вышедших со строя электронных реле управления оборудованием — вполне по силам каждому автолюбителю.
Поэтому владельцам автомобилей ВАЗ 2107, 21074 настоятельно рекомендуется к изучению принципиальна электросхема и основное электрооборудование, для получения возможности устранения незначительных неисправностей самостоятельно.
Схема электропроводки Ваз 2107

Отечественная классика не отличается легендарной надежностью. Иногда в электропроводке возникают различные неисправности, мешающие нормальной работе двигателя.
В таком случае для ремонта понадобится цветная электросхема с описанием, позволяющая разобраться во всех нюансах проводки.
В данной статье представлена схема для моделей ВАЗ 2017 или 20174 с карбюратором, выпускавшихся с 1988-го по 2001-й год, на которых устанавливался генератор 37.3701.
Пояснение обозначений
Знание определений схемы электрооборудования 2107 Лада поможет быстро обнаружить необходимый провод, продиагностировать его, выявит и устранить неисправность. Конечно, при замене салонного фильтра или замена масла такая информация не пригодится, но в профильных делах расшифровка обозначений существенно упростит процесс ремонта.
- 1 – головные фонари ВАЗ 2017;
- 2 – боковые повторители поворота;
- 3 – аккумулятор;
- 4 – реле включения стартера;
- 5 – электропневмоклапан карбюратора;
- 6 – внутренний переключатель карбюратора;
- 7 – система геренратора 37.3701;
- 8 – моторедукторы очистителей фар*;
- 9 – датчик включения электродвигателя вентилятора;
- 10 – электродвигатель вентилятора охлаждения мотора;
- 11 – звуковые сигналы;
- 12 – распределитель зажигания;
- 13 – свечи зажигания;
- 14 – стартер;
- 15 — датчик указателя температуры ОЖ;
- 16 – подкапотное освещение;
- 17 – датчик сигнализатора критичного давления масла;
- 18 – контрольная лампа недостаточного уровня тормозной жидкости;
- 19 – электродвигатель очистителя ветрового стекла;
- 20 – блок управления клапаном системы питания;
- 21 – катушка зажигания;
- 22 – электрический двигатель насоса омывателя фар*;
- 23 – электродвигатель насоса омывателя ветрового стекла;
- 24 – монтажный блок;
- 25 – реле очистителя ветрового стекла;
- 26 – реле аварийной сигнализации и указателей поворота;
- 27 – выключатель стоп-сигнала;
- 28 – выключатель ламп заднего хода;
- 29 – реле зажигания;
- 30 – выключатель зажигания;
- 31 – трехрычажный переключатель;
- 32 – выключатель аварийной сигнализации;
- 33 – штепсельная розетка для переносной лампы**;
- 34 – переключатель вентилятора отопителя печки;
- 35 – дополнительный переключатель электродвигателя отопителя;
- 36 – лампа сигнализатора включения обогрева заднего стекла;
- 37 – лампа сигнализатора недостаточного уровня тормозной жидкости ВАЗ;
- 38 – блок сигнализаторов;
- 39 – электродвигатель вентилятора печки;
- 40 – лампа освещения бардачка;
- 41 – выключатели плафонов на стойках передних дверей;
- 42 – выключатели фонарей сигнализации открытых передних дверей***;
- 43 – фонари сигнализации открытых передних дверей***;
- 44 – соединительная колодка;
- 45 – прикуриватель;
- 46 – часы;
- 47 – выключатель освещения приборов;
- 48 – диод для проверки исправности контрольной лампы недостаточного давления масла и уровня тормозной жидкости;
- 49 – указатель уровня топлива;
- 50 – лампа сигнализатора недостаточного уровня бензина (резерв топлива);
- 51 – спидометр;
- 52 – контрольная лампа включения указателей поворота на приборной панели;
- 53 – лампа сигнализатора приоткрытия воздушной заслонки карбюратора;
- 54 – контрольная лампа сигнализатора заряда аккумуляторной батареи;
- 55 – выключатель сигнализатора приоткрытия воздушной заслонки карбюратора;
- 56 – комбинация приборов;
- 57 – эконометр;
- 58 – выключатели плафона на стойках задних дверей;
- 59 – указатель температуры охлаждающей жидкости;
- 60 – тахометр;
- 61 – лампа сигнализатора включения ручника;
- 62 – датчик указателя недостаточного давления масла;
- 63 – лампа сигнализатора включения дальнего света фар;
- 64 – сигнализатор включения габаритов;
- 65 – вольтметр;
- 66 – выключатель сигнализатора стояночного тормоза;
- 67 – выключатель наружного освещения;
- 68 – выключатель обогрева заднего стекла;
- 69 – выключатель заднего противотуманного света с сигнализатором включения*;
- 70 – предохранитель цепи противотуманного света;
- 71 – плафон освещения салона****;
- 72 – задние фары;
- 73 – датчик указателя уровня топлива и резерва топлива;
- 74 – колодки для подключения к элементу обогрева заднего стекла*;
- 75 – фонари освещения номерного знака.
* В некоторых моделях очистители фар и ветрового стекла устанавливаются совместно.
**Модели до 2000-го года выпуска. ***Машины, сошедшие с конвейера до 1998-го года.
****Один фонарь по центру крыши (до 2000-го года) или два плафона расположенные в стойках кузова после этой даты.
Скачать схему электрооборудования Ваз 2107, 21074
Электрическая схема на ВАЗ 2017 доступна в отличном разрешении. Размерность в 2500 пикселей в высоту и 1243 пикселя в ширину позволит электрику легко отыскать все необходимые обозначения и легко разобраться в электрооборудовании машины. При этом вес фотографии составит 650 кб.
Условная нумерация штекеров в колодках
Дополнительно для ремонта или тюнинга ВАЗ потребуется знание порядковых номеров штекеров в колодках. Схема электрооборудования ВАЗ 21074 дает следующие обозначения:
Дополнительные обозначения
При подключении генератора или вмешательстве в проводку и систему зажигания ВАЗ следует знать расположение блока предохранителей в авто. Всего их 17-ть, из которых 2 резервных.
- задние лампы реверсной передачи;
- электродвигатели насосов омывателей фар и стекла;
- обогрев заднего стекла;
- указатели поворотов, аварийной сигнализации;
- противотуманные фонари;
- тахометр, вольтметр, контрольные лампы на приборке;
- прикуриватель и часы;
- звуковой сигнал;
- освещение салона, лампы тормоза;
- дальний свет фар;
- контрольная лампа дальнего света;
- подкапотное освещение и освещение номерного знака;
- подсветка бардачка;
- ближний свет справа;
- ближний свет слева.
Поиск искры — схема электропроводки ВАЗ 2107 в помощь

Эта статья содержит множество полезной информации для владельцев «семерки», которые самостоятельно обслуживают свой автомобиль. Также, тут будет представлена оригинальная схема электропроводки на ВАЗ 2107.
Одно из самых популярных авто Тольяттинского автозавода
Речь в данной статье пойдет о поиске различных неисправностей в электрической системе, которые возникают в процессе эксплуатации, а также о том, как быстро устранить обнаруженные поломки.
Симптомы отказов
Выделяют 2 состояния электроники автомобиля, которые заставляют владельцев седьмой модели выискивать неисправности:
Это или отказ одной из главных систем, или поврежденная проводка на ВАЗ 2107;
к примеру, короткое замыкание ВАЗ 21093.
Начинайте проверку с визуального осмотра
Когда при запуске авто двигатель не заводится, а бензин без проблем поступает в карбюратор либо топливную рамку инжектора, то причину отказа нужно искать в электрической системе:
- При карбюраторных версиях, опытный проверяющий сразу обратит внимание на катушку зажигания, трамблер и свечи. Не менее важна и подкапотная проводка ВАЗ 2107;
- При инжекторных версиях причиной отказа чаще всего является ЭСУД, которая обрабатывает сигналы датчиков, а далее подает команды для исполнительных механизмов.
Заводская схема, прилагаемая к руководству пользователя
Карбюраторный двигатель
Сама система зажигания авто данной модификации построена согласно классической схеме:
- Поворачивая ключ в замке в режим запуска «Стартер», электропитание подается на его клеммы;
- Стартер приводит в действие коленвал и всю поршневую группу;
- Одновременно приводится в действие генератор;
Замасленные или подгоревшие контакты в крышке могут служить причиной отказа
- Питание с генератора поступает на катушку, а она в свою очередь, вырабатывает электрический импульс, передавая его к трамблеру через провод высокого напряжения. См. публикацию — принципиальная схема электропроводки;
- Коленвал двигателя вращает привод трамблера, бегунок которого попеременно замыкает контакты, передавая электрический разряд к свечам зажигания (видео его работы можно увидеть в данной статье).
Классическое зажигание
Естественно, когда запустить двигатель не получается, следует искать причины, такие как:
- Отказ электрической цепи между генератором и катушкой зажигания (здесь важно как следует проверить контакты, а также состояние проводки);
Знакомая многим «классика»
- Отказ катушки зажигания (следует проверить ее работоспособность «на искру» , т.е извлечь провод непосредственно из трамблера, далее поднести его к металлическим деталям моторного отсека). Если во время вращения двигателя стартером искра все же проскакивает, значит, данная катушка исправна. См. статью — нюансы работы ВАЗ;
- Неисправность цепей трамблера, а также свечей зажигания. Тут потребует проверки электропроводка ВАЗ 2107, начиная от крышки трамблера до свечей. Так же следует проверить внутренний бегунок (тот, что внутри крышки), и естественно свечи автомобиля.
Электронное зажигание
Электроника может и «подвести»
Электронный коммутатор устанавливали в цепи между катушкой и трамблером. Его предназначение в улучшении искрообразования во время работы двигателя на обедненной смеси. Вы можете изучить на фото, как построена электрическая схема проводки ВАЗ 2107 на карбюратор, оснащенная бесконтактной системой зажигания.
Когда во время проверки «на искру» в трамблере высоковольтный импульс отсутствует, нужно произвести замену коммутатора.
Инжекторный двигатель
Эта модификация отличается множеством электронных компонентов. Тут отказы встречаются при неисправности датчиков и различных соединительных проводов.
Найти своими руками точную причину отказа можно лишь неукоснительно соблюдая следующие действия:
В заключение
Понимание принципов работы классической, а также бесконтактной системы в автомобиле ВАЗ 2107 поможет действительно быстро определить причины отказа. Так, вы избежите трудного положения в дорожной ситуации, так как сможете быстро вернуть в строй свой автомобиль. Удачи на дорогах!
Советы по поиску неисправностей в электрооборудовании приборов Ваз 2104-2105-2107

Советы по поиску неисправностей в электрооборудовании и ее сети
Неисправности электрооборудования автомобиля ваз 2107, проверка приборов. Диагностика электрооборудования лада 2105. Инструкции по ремонту электрооборудования: системы зажигания, стартера лада 2104. Эксплуатация генератора, аккумулятора, очистителя. Схема лада 2107.
- Указатель температуры охлаждающей жидкости
Когда стрелка указателя находится постоянно в начале шкалы, то при включенном зажигании ваз 2107 отсоедините провод от датчика указателя и соедините наконечник провода с массой.
- Схема соединений комбинации приборов ваз 2107 (вид сзади)
- 1 — указатель уровня топлива с контрольной лампой резерва
- 2 — лампа освещения комбинации приборов
- 3 — спидометр
- 4 — контрольная лампа воздушной заслонки карбюратора
- 5 — контрольная лампа указателей поворота
- 6 — контрольная лампа разряда аккумуляторной батареи
- 7 — тахометр
- 8 — эконометр
- 9 — указатель температуры охлаждающей жидкости
- 10 — контрольная лампа давления масла
- 11 — контрольная лампа стояночного тормоза
- 12 — контрольная лампа дальнего света фар
- 13 — контрольная лампа наружного освещения
- 14 — вольтметр
- А — схема условной нумерации штекеров в колодках комбинации приборов
Если стрелка отклоняется, то неисправен датчик и его необходимо заменить, а если не отклоняется, то снимите щиток приборов и при включенном зажигании соедините с массой штекер “6” красной колодки комбинации приборов, к которому подходит зеленый провод с белой полоской. Отклонение стрелки в этом случае укажет на исправность прибора и на повреждение провода, соединяющего датчик с комбинацией приборов. Если стрелка не отклоняется, то замените комбинацию приборов ваз 2105.
Постоянно находится в красной зоне, то при включенном зажигании отсоедините провод от датчика. При неисправном датчике стрелка должна вернуться к началу шкалы.
Если же она остается в красной зоне, то или провод замкнут на массу, или поврежден прибор.
Исправность прибора можно проверить, отсоединив зеленый провод с белой полоской от комбинации приборов При включенном зажигании стрелка должна находиться в начале шкалы.
Методика проверки аналогична описанной выше. При этом надо иметь в виду, что к штекеру “W” датчика указателя присоединяется провод, идущий к контрольной лампе резерва топлива, а к штекеру “Т” — провод, идущий к самому указателю.
Cтрелка указателя находится постоянно в начале шкалы и не отклоняется после замыкания с массой наконечника провода лада классика, отсоединенного от штекера “Т” датчика, то проверьте прибор.
Для этого снимите щиток приборов и при включенном зажигании соедините с массой штекер “1” белой колодки комбинации приборов, к которому подходит розовый провод с белой полоской.
У исправного прибора стрелка должна отклониться до конца шкалы.
Когда стрелка указателя постоянно находится в конце шкалы, то исправность прибора можно проверить, отсоединив от комбинации приборов белую колодку проводов и соединив с “плюсом” аккумуляторной батареи штекер “4” белой колодки комбинации приборов ваз 2104. В этом случае у исправного прибора стрелка должна находиться в начале шкалы.
Методика проверки аналогична описанной выше. При поиске неисправности следует соединять с массой или отсоединять от прибора серый провод с белыми полосками, идущий к датчику.
Электросхема машины ВАЗ 2107 карбюратор

Постоянные модификации и усовершенствование привели к тому, что у ваз 2107 схема электрооборудования принципиально отличается от предыдущих моделей. По этой причине у многих автолюбителей часто появляется необходимо ее освоить, чтобы вовремя устранить любую неполадку в любимой машине.
Описание схемы
Электрооборудование представлено большим числом элементов, которые могут быть объединены в следующие системы:
- систему питания (аккумулятор и генератор);
- систему пуска двигателя (стартер и зажигание);
- систему зажигания (катушка, распределитель и свечи зажигания);
- систему освещения салона и дороги, сигнализацию (фары, фонари и реле);
- различные контрольные приборы;
- прочие приборы (стеклоочиститель, омыватели, прикуриватель, звуковые сигналы и т.п.).
Функционированием всех систем управляют выключатели и реле, а электроэнергия к приборам чаще всего идет через зажигание. Всегда включены цепи прикуривателя, звуковые сигналы, сигнал торможения и аварийной сигнализации.
Схема электрооборудования автомобиля ваз 2107 включает в себя схему включения приборов, которая является однопроводной, что позволяет облегчить монтаж и сократить число проводов.
Источники питания
Все компоненты электрооборудования работают благодаря генератору и аккумуляторной батарее. При выключенном двигателе питание происходит только за счет аккумулятора, но как только вы решите завести автомобиль, к работе подключится и генератор, который начнет восстанавливать заряд аккумулятора.
Следует учитывать, что если вы включили большое количество приборов, а двигатель работает на малых оборотах, то генератор не может создать достаточное количество энергии, и расходуется заряд аккумулятора. Поэтому надо внимательно следить за датчиками во избежание полной разрядки батареи.
Защита электрических цепей
Цепи питания оборудования защищены от перепадов напряжения и других факторов плавкими предохранителями, которые располагаются в монтажном блоке. На некоторые приборы — систему зажигания двигателя, цепь пуска, цепь заряда аккумулятора, реле освещения фар — не устанавливаются предохранители, ведь это может снизить надежность систем во время эксплуатации.
Также с целью защиты электрических приборов, которые часто контактируют с водой и грязью, устанавливаются резиновые колпачки. Подобная защита монтируется на элементы высокого напряжения, датчики температуры антифриза и масла, клемму «+» аккумулятора, боковые указатели поворота.
Провода
Чтобы соединить все электрооборудование в единую конструкцию, используются гибкие низковольтные провода разного сечения. Они покрыты изоляцией, устойчивой к агрессивному воздействию масла, бензина и перепаду температур. Изоляция окрашена в разные оттенки, поэтому на многих сайтах представлена цветная схема электрооборудования ваз 2107 для большей наглядности.
На размер поперечного сечения провода влияют характеристики тока: чем выше сила тока, тем больше диаметр провода. Самыми толстыми проводами (с сечением 16 мм) соединены генератор и аккумулятор, а также стартер с аккумулятором. При этом провода не просто припаяны, а укреплены болтами, чтобы повысить надежность сцепления.
Большинство потребителей соединены проводами диаметром 6 мм, которые закреплены удобными разъемными штекерами для облегчения монтажа и ремонтных работ.
Выбирая авто, не забывайте читать отзывы реальных владельцев. Сделать это можно и на нашем сайте в этом разделе. Ознакомиться с новостями мира отечественного и зарубежного авторынка можно здесь.
Особенности электропроводки
Обилие приборов предполагает наличие огромного количества проводов, однако для удобства монтажа и ремонта все они объединены в пучки, заключенные в пластиковых трубках. Всего на авто ваз 2107 их 5: 3 под капотом и 2 в салоне.
Под капотом представлены пучки от брызговиков (правого и левого) и аккумулятора. В салоне расположены пучок приборов панели управления и задний пучок, отвечающий за освещение салона, датчик уровня топлива, обогрев заднего стекла, освещение номерного знака.
Все пучки соединены между собой при помощи монтажного блока, расположенного в задней части отсека двигателя. Для удобства эксплуатации в нем также расположены предохранители и реле.
Монтажный блок закрыт крышкой, на которой нанесены условные знаки, показывающие функции того или иного предохранителя и реле.
Электрические соединения в монтажном блоке представлены единым элементом. Чтобы предотвратить поломку проводки, важно использовать предохранители, предусмотренные производителями, и корректно проверять исправность системы.
Инжектор и карбюратор: в чем отличие?
Схема электрооборудования ваз 2107 с карбюратором отличается от инжекторной из-за следующих особенностей последнего:
Схема электрооборудования ваз 2107 с инжектором достаточно сложная, и самостоятельно найти неисправность очень трудно, поэтому рекомендуется проводить диагностические и ремонтные работы в специализированных службах.
Конечно, скачать схему электрооборудования ваз 2107 и внимательно изучить ее следует всем владельцам этой модели авто, чтобы суметь устранить незначительные неисправности и поменять предохранители и реле. Но более сложные работы лучше предоставить профессионалам, так как определить повреждение иногда возможно только благодаря специализированному оборудованию.
Схема электропроводки в помощь владельцам седьмой модели ВАЗ
От исправности узлов и систем автомобиля зависит качество его работы. Современные машины напичканы электроникой, поэтому электрическая система требует большого внимания. В статье разбирается электросхема автомобиля ВАЗ 2107, признаки неисправности, а также рассматриваются особенности карбюраторных двигателей и с инжектором.
Электросхема ВАЗ 2107
Признаки неисправностей
Если автомобиль отказывается ехать, возникают проблемы с электроприборами или электрической проводкой, эта дает повод для поиска и устранения неисправностей путем замены неисправных элементов.
Если машина не заводится, в первую очередь нужно проверить поступление топлива в карбюратор или топливную рамку инжектора.
Если топливо поступает, то проблему отказа авто ехать нужно искать в электросистеме с помощью электрической схемы:
Возможны проблемы из-за подгоревших контактов в замке зажигания. Для поиска неисправностей нужна схема электрооборудования автомобиля ВАЗ 2107 с указанием элементов, являющихся потребителями контактной группы.
Карбюраторный двигатель
Работа двигателя с карбюратором имеет классическую схему:
Принцип работы отражает электросхема двигателя с карбюратором.
Электросхема классики — карбюратор
Классическое зажигание
В контактную систему входят следующие элементы:
- выключатель;
- катушка;
- распределитель;
- высоковольтные провода;
- свечи.
Благодаря распределителю прерывается цепь первичной обмотки модуля зажигания, а затем высоковольтный ток распределяется в нужной последовательности на свечи. С помощью катушки низковольтный ток преобразуется в высоковольтный ток. Свечи воспламеняют топливную смесь в цилиндрах мотора.
Классическая система зажигания
Если при повороте ключа зажигания мотор не запускается, то причина может быть в следующем:
Поиск неисправностей электрооборудования и их устранение на ВАЗ 2107: электросхема

Главная » Электросхемы и ЭБУ » Поиск неисправностей электрооборудования и их устранение на ВАЗ 2107: электросхема
Схема оборудования «Семерки»
Для начала предлагаем ознакомиться с подробным описанием основных поломок схемы элекропроводки машины.
Рассмотрим признаки неисправности:
Если у вас на руках есть схема проводки электрики, то вы сможете без проблем найти причину и ликвидировать ее.
Карбюраторный двигатель
В автомобиле ВАЗ 2107 схема работы карбюраторного мотора выглядит следующим образом:
Классическое зажигание
Система классического зажигания состоит из таких компонентов:
- замок;
- катушка;
- трамблер или распределитель (прерыватель);
- свечи;
- высоковольтные кабеля, передающие заряд.
Электронное зажигание
В некоторых моделях схема ВАЗ 2107 включает в себя бесконтактное зажигание. Принципиальное различие такой системы заключается в использовании электронного коммутатора, который устанавливался между прерывателем, а также катушкой.
Бесконтактная система состоит из:
- коммутаторного устройства;
- замка;
- катушки;
- распределительного узла;
- свечей и высоковольтных кабелей.
Фотогалерея «Классическая и электронная схемы»
1. Классическая схема2. Схема электронного зажигания
Инжекторный двигатель
Двигатели ВАЗ 21074 инжектор отличаются от вышеописанных силовых агрегатов следующим:
- в таких система используется электрический насос, предназначенный для увеличения давления в системе, в то время как на карбюраторах ставились механические насосы;
- образование горючей смеси осуществляется в цилиндре мотора;
- для обеспечения нормального впрыска горючего используются форсунки;
- как сказано выше, в инжекторах используется ЭСУД — электронная система управления двигателем, которая и определяет время впрыска.
Если в работе той или иной системы были замечены неполадки, то в первую очередь нужно проверить состояние датчиков, обеспечивающих ее работу. К примеру, на приборной панели стрелка температуры охлаждающей жидкости перешла в красную зону, при этом сам мотор работает в нормальном режиме и не «кипит».
Для диагностики датчика нужно выполнить следующие действия:
- контроллер отключается от сети, производится его извлечение из посадочного места;
- затем датчик кладется в емкость с холодной водой и термометром (лучше всего использовать цифровой, поскольку воду нужно будет нагреть);
- с помощью тестера измеряется его сопротивление в холодной воде, показания записываются;
- вода нагревается, при повышении температуры на каждые 10 градусов производится замер сопротивления тестером;
- полученные значения нужно сравнить с таблицей, которая есть в инструкции по эксплуатации, если показания не соответствуют нормированным, датчик меняется.
Видео «Как решить проблему нестабильной работы двигателя на ВАЗ 2107?»
Как быть, если причиной нестабильной работы двигателя являются высоковольтные провода — узнайте из видео ниже (автор — канал Desla Ortosh).
Загрузка …У Вас остались вопросы? Специалисты и читатели сайта AVTOKLEMA помогут вам, задать вопрос






















































