Содержание
- 1 ➤ Электрооборудование ОКА: схемы и обслуживание
- 1.1 Общая схема
- 1.2 Разделение по назначению
- 1.3 Источники питания
- 1.4 Защитные компоненты
- 1.5 Элементы управления
- 1.6 КИП
- 1.7 Исполнительные приборы
- 1.8 Деление по функциям
- 1.9 Системы, отвечающие за работу мотора
- 1.10 Системы, отвечающие за безопасность и комфорт
- 1.11 Обслуживание, ремонт
- 1.12 Диагностика блока предохранителей (видео)
- 2 Обслуживание, устройство, ремонт и эксплуатация автомобилей «Ока» ВАЗ(СеАЗ) ЗМА «Кама» 1111/11113 – Приложение 7. Схема электрооборудования автомобиля
- 3 Ока ВАЗ-1111/ 11113 эксплуатация, техобслуживание и ремонт
- 4 Ремонт ВАЗ (Lada) 1111 Ока своими руками
➤ Электрооборудование ОКА: схемы и обслуживание
Содержание:
Автомобиль ВАЗ-1111 и 11113 «Ока» оснащена всем необходимым электрооборудованием, необходимым для обеспечения безопасности движения и создания минимально комфортабельных условий для водителя и пассажиров. Все электрические приборы, установленные на малолитражку, объединены единой электрической сетью.
Бортовая сеть, используемая на «Ока» — 12-вольтовая, постоянного тока, однопроводная. Роль второго провода выполняет кузов авто и ряд узлов и механизмов – силовая установка, КПП.
Общая схема
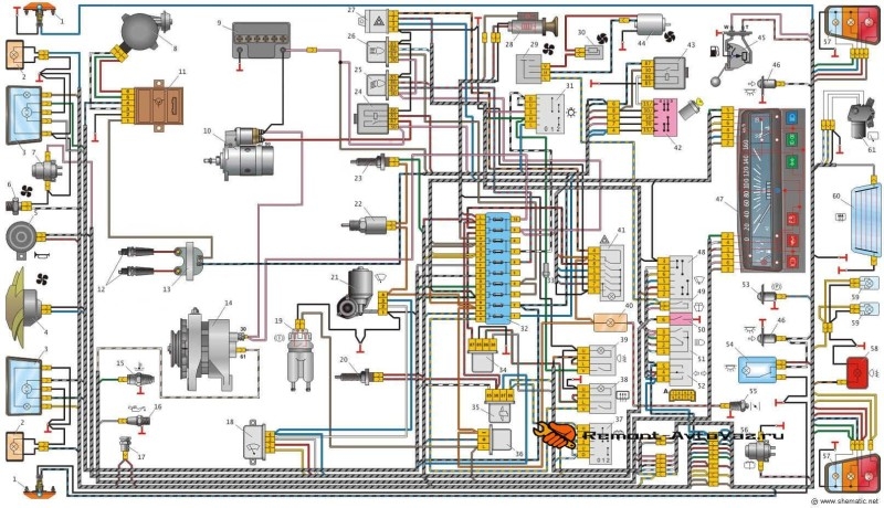
Общая схема электрооборудования ВАЗ 11113 представлена ниже:
1 – повторитель поворотника; 2 – поворотник передний; 3 – фара; 4 – эл. мотор вентилятора с-мы охлаждения; 5 – сигнал; 6 – датчик включения вентилятора; 7 – эл.
мотор насоса омыва; 8 – датчик момента подачи искры; 9 – АКБ; 10 – стартер; 11 – коммутатор; 12 – свечи; 13 – катушка; 14 – генератор; 15 – температурный датчик; 16 – датчик давления масла; 17 – розетка на 12 В; 18 – реле мех-ма стеклоочистителя; 19 – датчик уровня тормозной ж-сти; 20 – выключатель стоп-сигнала; 21 – эл.
мотор стеклоочистителя; 22 – эл. магнитный клапан карбюратора; 23 – выключатель фонаря заднего хода; 24 – реле стартера; 25 – реле включения ближнего света; 26 – реле включения дальнего света; 27 – реле аварийного сигнала; 28 – прикуриватель; 29 – переключатель эл. мотора печки; 30 – доп. резистор эл.
двигателя печки; 31 — выключатель освещения; 32 – предохранительный блок; 33 — предохранитель цепи питания ПТФ; 34 – реле включения обогревателя заднего стекла; 35 – реле включения эл.
мотора вентилятора с-мы охлаждения; 36 – реле-прерыватель контрольки стояночного тормоза; 37 – выключатель обогревателя и омывателя заднего стекла; 38 – выключатель обогревателя заднего стекла; 39 – выключатель заднего ПТФ; 40 – контролька подсоса карбюратора; 41 – выключатель аварийной сигнализации; 42 – замок зажигания; 43 – реле зажигания; 44 – эл. мотор печки; 45 – топливный датчик; 46 – выключатель плафона; 47 – приборная доска; 48 – переключатель очистителя лобового стекла; 49 – выключатель насоса омывателя стекла; 50 – выключатель сигнала; 51 – переключатель света; 52 – переключатель поворотников; 53 – выключатель сигнальной лампы стоп-сигнала; 54 – салонный плафон; 55 – выключатель контрольки подсоса карбюратора; 56 – эл. мотор омывателя заднего стекла.
Для удобства обслуживания и поиска неисправностей проводка, соединяющая между собой компоненты электроборудования имеет цветовую раскраску.
Соединение приборов с проводами осуществляется разными способами – через колодки, зажимом гайками, посредством посадочных гнезд (лампочки).
Во всех случаях разъединение проводки выполняется легко и не особо затрудняет демонтаж элекроприборов при обслуживании.
Электросхема объединяет в себя все компоненты, относящиеся к электрооборудованию. Все составляющие можно между собой разделить по двум критериям:
- Назначение;
- Выполняемые функции;
Особенность. электросхемы является переплетание определенных участков цепей питания, особенно это касается блока предохранителей. То есть, один предохранитель может отвечать за работу электроприборов, которые между собой никак не взаимодействуют.
Разделение по назначению
По назначению оборудование делится на:
- Источники питания;
- Защитные средства;
- Элементы управления;
- Контрольно-измерительные приборы;
- Исполнительные механизмы;
Источники питания
К источникам питания относятся АКБ и генератор. Аккумулятор запитывает эл. приборы и обеспечивает их работу при выключенном силовом агрегате. После запуска мотора запитка бортовой сети ведется от генератора, который также обеспечивает восстановление зарядка батареи.
Защитные компоненты
Защитные средства предотвращают перегорание электроприборов и электрической цепи при коротких замыканиях. Основными защитными элементами выступают предохранители. Для удобства все защитные элементы собраны в одном месте – блоке предохранителей, который в «Ока» располагается под передней панелью со стороны водителя.
Элементы управления
К элементам управления относятся все компоненты, отвечающие за включение, переключение и отключение электроприборов. Эта категория объединяет в себе замок зажигания, всевозможные выключатели и переключатели.
Большая часть этих элементов расположена в прямой доступности для водителя – на передней панели, рулевой колонке.
Но есть выключатели, на которые водитель воздействует через определенные узлы – выключатели стоп-сигналов, датчик включения сигнальной лампы подсоса и т. д.
КИП
Контрольно-измерительные приборы обеспечивают водителя информацией о работе определенных узлов и механизмов, эксплуатационных показателях – уровне топлива, температуре ОЖ, давлении масла и т. д. Одни виды этих приборов выводят точную информацию, другие же представлены в виде сигнальных ламп, срабатывающих только при возникновении неисправности.
Измерительные приборы объединяют в себе датчики, установленные на требуемых узлах и механизмам, и сигнальные элементы, расположенные на приборной панели.
Исполнительные приборы
Исполнительные механизмы – компоненты, которые выполняют ту или иную функцию – освещают, приводят в действие узлы и т. д. К ним относятся электродвигатели, лампы освещения, звуковой сигнал, прикуриватель и т. д.
Деление по функциям
Что касается функций, то все электрооборудование делится на системы, выполняющие определенные задачи:
- Принимают участие в работе двигателя;
- Обеспечивают безопасность движения;
- Создают комфортабельные условия;
Системы, отвечающие за работу мотора
Система зажигания принимает участие в работе силового агрегата и в ее задачу входит образование искры в цилиндрах двигателя для поджигания топливовоздушной смеси.
Компонентами этой системы являются коммутатор, датчик момента образования искры, катушка и свечки. Включение системы в работу осуществляется замком зажигания.
Все указанные компоненты соединение одной цепью, схема которой указана ниже:
Второй системой, относящейся к электрооборудованию и работающей с двигателем, является система пуска. Для запуска двигателя используется силовой электромотор — стартер, управляемый с все того же замка зажигания. Схема ее такова:
Также к двигателю имеет отношение вентилятор системы охлаждения.
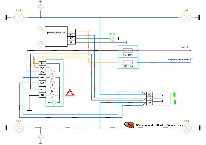
Системы, отвечающие за безопасность и комфорт
К электрооборудованию, обеспечивающему безопасность движения, относятся:
- Светозвуковая сигнализация (поворотники, стоп-сигналы, фонари заднего хода, звуковой сигнал);
- Главный свет (фары, ПТФ);
- Обогреватели, очистители и омыватели стекол;
Указанные приборы объединены в несколько систем. Ниже приведена схема питания только одной из них – поворотников:
Поскольку «Ока» — бюджетный автомобиль, то электроприборов, создающих комфортабельные условия для водителя не так уж и много. К ним относятся печка (в которую входит эл. двигатель вентилятора), салонный плафон и прикуриватель.
Поскольку приборы, отвечающие за безопасность движения и комфортабельность не всегда востребованы, то по умолчанию они отключены и в работу включаются при помощи выключателей, переключателей.
Также бортовая сеть включает в себя систему подзарядки АКБ, то есть составляющую, в задачу которой входит поддержание работоспособности электрооборудования. Ее схема подключения такова:
Обслуживание, ремонт
Из всех электроприборов автомобиля обслуживания требуют только источники питания:
- АКБ (периодическая подзарядка с использованием зарядных устройств, контроль уровня и плотности электролита);
- Генератор (периодическая проверка натяжение привода, замена изношенных графитных щеток).
Также важно следить за состоянием изоляции проводов и не допускать ее повреждения во избежание короткого замыкания. Нередко возникает окисление контактов в местах соединения проводки, что может привести к отказу электроприборов.
Большая часть компонентов электросети является необслуживаемыми и при выходе из строя подлежат замене. К таким элементам относятся лампочки, малоразмерные электродвигатели, переключатели, реле, предохранители, датчики.
В стартере, генераторе, эл. двигателях печки и вентилятора системы охлаждения возможно возникновение механических поломок – износа подшипников, втулок, щеток. Все эти узлы – ремонтопригодны и зачастую удается восстановить их работоспособность путем разборки, дефектовки и установки новых деталей взамен изношенных.
Диагностика блока предохранителей (видео)
Статьи в тему :
Обслуживание, устройство, ремонт и эксплуатация автомобилей «Ока» ВАЗ(СеАЗ) ЗМА «Кама» 1111/11113 – Приложение 7. Схема электрооборудования автомобиля

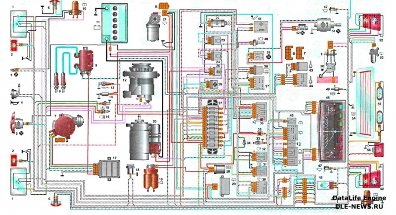
ВАЗ 1111/11113 Лада Ока >> Приложения >> Приложение 7. Схема электрооборудования автомобиляПриложение 7.
Схема электрооборудования автомобиля: 1 – боковой повторитель указателя поворота; 2 – передний указатель поворота; 3 – фара; 4 – электродвигатель вентилятора системы охлаждения; 5 – звуковой сигнал; 6 – датчик включения электродвигателя вентилятора; 7 – электродвигатель омывателя ветрового стекла; 8 – датчик момента искрообразования; 9 – аккумуляторная батарея; 10 – стартер; 11 – коммутатор; 12 – свечи зажигания; 13 – катушка зажигания; 14 – генератор; 15 – датчик указателя температуры охлаждающей жидкости; 16 – датчик контрольной лампы недостаточного давления масла; 17 – розетка для переносной лампы; 18 – реле стеклоочистителя; 19 – датчик уровня тормозной жидкости; 20 – выключатель сигнала торможения; 21 – электродвигатель очистителя ветрового стекла; 22 – электромагнитный клапан карбюратора; 23 – выключатель света заднего хода; 24 – реле включения стартера; 25 – реле включения ближнего света фар; 26 – реле включения дальнего света фар; 27 – реле-прерыватель аварийной сигнализации и указателей поворота; 28 – прикуриватель; 29 – переключатель вентилятора отопителя; 30 – дополнительный резистор электродвигателя отопителя; 31 – выключатель наружного освещения; 32 – блок предохранителей; 33 – предохранитель цепи противотуманного фонаря; 34 – реле включения обогрева заднего стекла; 35 – реле включения электродвигателя вентилятора системы охлаждения; 36 – реле-прерыватель контрольной лампы включения стояночного тормоза; 37 – выключатель очистителя и омывателя заднего стекла; 38 – выключатель обогрева заднего стекла; 39 – выключатель заднего противотуманного фонаря; 40 – контрольная лампа прикрытия воздушной заслонки карбюратора; 41 – выключатель аварийной сигнализации; 42 – выключатель зажигания; 43 – реле зажигания; 44 – электродвигатель вентилятора отопителя; 45 – датчик указателя уровня топлива; 46 – выключатель плафона в стойке двери; 47 – комбинация приборов; 48 – переключатель очистителя ветрового стекла; 49 – выключатель омывателя ветрового стекла; 50 – выключатель звукового сигнала; 51 – переключатель света фар; 52 – переключатель указателей поворота; 53 – выключатель контрольной лампы включения стояночного тормоза; 54 – плафон освещения салона; 55 – выключатель контрольной лампы прикрытия воздушной заслонки карбюратора; 56 – электродвигатель омывателя стекла задней двери; 57 – задний фонарь; 58 – задний противо туманный фонарь; 59 – фонарь освещения номерного знака; 60 – элемент обогрева стекла задней двери; 61 – электродвигатель очистителя стекла задней двери; А – порядок нумерации контактовв соединительных колодках
Описания по ремонту иномарок
Устройство и ремонт Волга Газ 3110, 31105.
11 апреля 2013 г.
Новая комплектация LADA Priora
Компания АвтоВАЗ рассказала о запуске в производство новых версий ЛАДА Приора, которые отличаются иным набором опций. В первую очередь отмечается наличие боковых подушек безопасности. Уже в апреле 2013 года было произведено порядка 300 первых автомобилей, оснащенных данной опцией. Они вошли в стартовую партию.
03 апреля 2013 г.
На весну 2013 года запланирована масштабная модернизация в рамках подготовки к запуску производства новых моделей автомобилей на заводах компании АвтоВАЗ. Среди представленных моделей:
- Новая ЛАДА Калина;
- ЛАДА Приора (постоянная модернизация и улучшение автомобиля);
- Производство ЛАДА Ларгус и Nissan Almera;
- ЛАДА 4х4 в новой комплектации и окраске.
10 апреля 2014 г.
Приятель попросил помочь ему в переезде с квартиры. Загрузив основные вещи в пару Газелей, мы с ним начали собирать остатки и укладывать их в его Ладу Ларгус.
Сложили задние сиденья, оставив два впереди, и я удивился тому количеству вещей, которое уместилось в машину. Да, она довольно длинная, с большой базой, но та гора предметов, которую мы выгрузили, произвела впечатление.
При загрузке этого не видишь, так как процесс происходит постепенно.
22 февраля 2014 г.
Лада Гранта – новый бюджетный седан, построенный на базе Лады Калины. Низкая стоимость и привлекательный внешний вид в сочетании с комфортным и просторным салоном обеспечили автомобилю большой успех.
11 сентября 2013 г.
В мае 2013 года стартовал серийный выпуск Лады Калины 2-го поколения. Доступна новинка с кузовом универсал и хэтчбек. Для бюджетной машины новая Лада Калина имеет отличный дизайн, большой набор современных опций и приличные ездовые качества.
Посмотреть все статьи в категории «Обзор моделей»
Ока ВАЗ-1111/ 11113 эксплуатация, техобслуживание и ремонт

Пожалуйста включите / Please enable JavaScript!
загрузка…
Автомобили ВАЗ-1111 «Ока» и их модификации – переднемоторные, с поперечным расположением двигателя, переднеприводные четырехместные. Кузов – двухобъемный, несущей конструкции, цельнометаллический, сварной.
Двигатели – двухцилиндровые, рядные, четырехтактные, карбюраторные, объемом 0,65 л (в настоящее время не выпускаются) и 0,75 л, мощностью по ГОСТ 14846-81 (нетто) от 25,9 до 33,0 л.с. Двигатели модели ВАЗ-1110 были выпущены небольшой партией.
Автомобили выпускались Камским (КамАЗ) и Серпуховским (СеАЗ) автозаводами. В настоящее время производство автомобилей «Ока» осталось только на Серпуховском автозаводе, который выпускает также модификации для инвалидов.
Модель и номер автомобиля, модель двигателя и номер для запасных частей указаны в заводской табличке, закрепленной на верхней поперечине рамки радиатора. Система зажигания Датчик момента искрообразования:
1 – держатель переднего подшипника валика; 2 – опорная пластина датчика; 3 – экран; 4 – пружина грузика центробежного регулятора; 5 – грузик регулятора, 6 – ведущая пластина центробежного регулятора; 7- сальник; 8 – валик; 9 – муфта; 10 – втулка заднего конца валика; 11 – ведомая пластина центробежного регулятора; 12 – вакуумный регулятор; 13 – штуцер для подвода разрежения; 14 – тяга; 15 – бесконтактный датчик (датчик Холла); 16 – корпус; 17 – колодка проводов датчика Холла; 18 – крышка; а – схема работы центробежного регулятора; ἁ – угол опережения зажигания. Детали датчика момента искрообразования:1 – муфта; 2 – корпус; 3 – вакуумный регулятор угла опережения зажигания; 4 – сальник; 5 – бесконтактный датчик (датчик Холла); 6 – ведущая пластина центробежного регулятора; 7 – грузик центробежного регулятора; 8 – валик ведущей пластины; 9 – пружина; 10 – ведомая пластина центробежного регулятора с экраном; 11 – стопорная шайба; 12 – опорная пластина датчика с подшипником; 13 – стопорная пластина подшипника; 14 – держатель переднего подшипника; 15 – крышка. Система зажигания – бесконтактная. Состоит из датчика момента искрообразования, коммутатора, катушки зажигания, свечей, выключателя зажигания и проводов высокого и низкого напряжения. Датчик момента искрообразования – типа 5520.3706 (до 1989 года устанавливался датчик типа 55.3706) с встроенными вакуумным и центробежным регуляторами опережения зажигания. Он задает момент искрообразования в зависимости от начальной его установки, числа оборотов коленчатого вала и нагрузки на двигатель. Считывание управляющих импульсов основано на эффекте Холла. На каждый оборот коленчатого вала приходится один импульс (на каждый оборот распределительного вала – два). Начальный угол опережения зажигания для двигателя ВАЗ-1111 – 1±1° до ВМТ, для ВАЗ-11113- 4±1° до ВМТ. Проверить работоспособность датчика Холла можно вольтметром, подключив его между выводами зеленого и бело-черного проводов. Медленно вращая валик датчика момента искрообразования, следим за показаниями вольтметра. Напряжение должно резко меняться от минимального (не более 0,4 В) до максимального (не более чем на 3 В меньше напряжения питания). Если стальной экран с прорезями задевает за датчик (определяется по легкому заеданию или царапающему звуку при вращении валика, а также после частичной разборки датчика момента искрообразования), проверьте осевой люфт валика (не более 0,35 мм, регулируется подбором шайб) и посадку экрана на валике. При необходимости замените узел в сборе. Неисправный датчик Холла ремонту не подлежит и должен заменяться новым (за исключением обрыва проводов между самим датчиком и колодкой на корпусе датчика момента искрообразования). Грубо оценить исправность вакуумного регулятора можно непосредственно на автомобиле. На заведенном двигателе отсоединяем от штуцера карбюратора вакуумный шланг, ведущий к регулятору. Если теперь создать в шланге разрежение (можно ртом), обороты мотора должны возрасти, а при снятии разрежения вновь снизиться. Разрежение должно сохраняться по крайней мере несколько секунд, если пережать шланг.
Визуально в работоспособности вакуумного регулятора можно убедиться, частично разобрав датчик момента искрообразования (см. «Снятие и разборка датчика момента искрообразования», с. 86) и подавая разрежение к впускному штуцер у регулятора.
При этом экран датчика момента искрообразования должен поворачиваться на угол 10±1°, а при снятии разрежения – без заедания возвращаться обратно. Точную проверку и настройку вакуумного и центробежного регуляторов опережения зажигания производят на специальных стендах. В домашних условиях это делать не рекомендуется.
При выходе из строя вакуумного регулятора его за меняют, при неисправности центробежного – заменяют датчик момента искрообразования.
Коммутатор типа 3620.3734, или 36.3734, или HIM-52 размыкает цепь питания первичной обмотки катушки зажигания, преобразуя управляющие импульсы датчика в импульсы тока в катушке зажигания.
Коммутатор проверяется осциллографом по специальной методике, при подозрении на неисправность (перебои в работе двигателя, выстрелы в глушитель) замените его заведомо исправным. Запрещается отсоединять разъем коммутатора при включенном зажигании – это может повредить его (равно как и другие компоненты системы зажигания).
Катушка зажигания – двух выводная, сухая , типа 29.3705 – с разомкнутым магнитопроводом, или типа 3012.3705 – с замкнутым магнитопроводом. Данные для проверки: сопротивление первичной обмотки при 25° С – (0,5±0,05) Ом , вторичной – (11 ±1,5) кОм. Сопротивление изоляции на массу – не менее 50 МОм.
Свечи зажигания – типа А17ДВР, или А17ДВРМ, или их импортные аналоги (с помехоподавительными резисторами сопротивлением 4-10 кОм). Зазор между электродами должен быть в пределах 0,7-0,8 мм (проверяется круглым проволочным щупом).
Высоковольтные провода – типа ПВВП-8 с распределенным сопротивлением (2000±200) Ом/м или ПВППВ-40 с распределенным сопротивлением (2550±270) Ом/м. Запрещается прикасаться к высоковольтным проводам на работающем двигателе – это может привести к электротравме.
Запрещается также запускать двигатель или позволять ему работать с разорванной высоковольтной цепью (снятыми проводами) – это может привести к прогару изоляции выходу из строя электронных компонентов системы зажигания.
Выключатель зажигания типа 2108-3704005-40 или KZ813 с противоугонным запорным устройством, блокировкой против повторного включения стартера без предварительного выключения зажигания. При повороте ключа в положение «зажигание» подается напряжение на управляющий вход дополнительного реле типа 113.
3747-10, которое, в свою очередь, подает напряжение на катушку зажигания и коммутатор. Таким образом, разгружаются контакты выключателя зажигания (см. также «Электрооборудование»). Схема бесконтактной системы зажигания:
1 – реле выключателя зажигания; 2 – выключатель зажигания; 3 – блок предохранителей; 4 – коммутатор; 5 – датчик момента искрообразования; 6 – катушка зажигания; 7 – свечи зажигания.
Книга из серии полноцветных иллюстрированных руководств по ремонту автомобилей своими силами. В руководстве приведены особенности конструкции узлов и систем автомобилей «Ока» ВАЗ-1111, -11113, а также их модификации для водителей-инвалидов. Подробно описаны основные неисправности, их причины и способы устранения.
Процессы разборки и ремонта проиллюстрированы и снабжены комментариями. Отдельный раздел посвящен уходу за автомобилем. В Приложениях представлены инструменты, смазочные материалы и эксплуатационные жидкости, манжетные уплотнения, подшипники, моменты затяжки резьбовых соединений, а так же схема электрооборудования.
Книга предназначена для водителей, желающих ремонтировать автомобиль самостоятельно, а также для работников СТО.
№
Спецификация / Specs
Данные
Габариты (мм/mm) и масса (кг/kg) / Dimensions and Weight
1
Длина / Length
3200
2
Ширина (без/с зеркалами) / Width
1420/1565 (с одним зеркалом)
3
Высота (загружен/пустой) / Height
1400
4
Колёсная база / Wheelbase
2180
5
Дорожный просвет (клиренс) / Ground clearance
170
6
Снаряжённая масса / Total (curb) weight
645
Полная масса / Gross (max.) weight
980
Двигатель / Engine
7
Тип / Engine Type, Code
Бензиновый, жидкостного охлаждения, четырехтактный, 11113
8
Количество цилиндров / Cylinder arrangement: Total number of cylinders, of valves
2-цилиндровый, рядный, 4V, SOHC с верхним расположением одного распредвала
9
Диаметр цилиндра / Bore
82.0 мм
10
Ход поршня / Stroke
71.0 мм
11
Объём / Engine displacement
750 см³
12
Система питания / Fuel supply, Aspiration
Карбюратор «Озон» модели ДААЗ 2107-1107010
Атмосферный
13
Степень сжатия / Compression ratio
9.9:1
14
Максимальная мощность / Max. output power kW (HP) at rpm
24,3 кВт (33 л.с.) при 5600 об/мин
15
Максимальный крутящий момент / Max. torque N·m at rpm
50 Нм при 3000-3400 об/мин
Трансмиссия / Transmission
16
Сцепление / Clutch type
Однодисковое, сухое, с диафрагменной нажимной пружиной и гасителем крутильных колебаний, постоянно замкнутого типа
17
КПП / Transmission type
МКПП 4 четырёхступенчатая механическая, двухвальная, с синхронизаторами на всех передачах переднего хода
- Название: Ока ВАЗ-1111, ВАЗ-11113 Иллюстрированное руководство, устройство, обслуживание, диагностика, ремонт, электросхемы
- Бензиновые двигатели: 1110/1111 0.65 л (649 см³) 25,9-29,3 л.с./19-21,5 кВт и 11113 0.75 л (750 см³) 33 л.с./24,3 кВт
- Выпуск с 1987 года
- Серия: «Своими силами»
- Год издания: 2012
Ремонт ВАЗ (Lada) 1111 Ока своими руками

Провести ремонт и обслуживание ВАЗ 1111 намного легче, обладая должными знаниями. Материалы etlib.ru позволят найти для автомобиля Ока руководство по ремонту любой детали в виде видеоролика или фотоотчета.
Видео инструкция продемонстрирует, как должна выполняться процедура починки и исключит возможность ошибочных действий.
Что же касается фотоотчета, то он сопровождается текстовыми пояснениями, которые делают его отличным пособием для владельцев-новичков.
Для водителей ВАЗ 1111 пригодится базовое знание о наиболее частых процедурах во время эксплуатации автомобиля. По данным статистики владельцев больше всего интересует замена термостата Ока. Причиной этого являются частые поломки детали в условиях сурового климата.
Следующими по популярности станут: замена ремня ГРМ на Оке, замена помпы Ока, а также в модели ока замена предохранителей. Некоторые из процедур следует делать профилактически, после ежегодной диагностики.
Тяжелые дорожные условия часто приводят к поломке в тормозной системе или трансмиссии. В этом случае проблему решить помогут замена тормозных колодок Ока и замена сцепления на Оке.
Зная алгоритм, нюансы ремонтных работ и список необходимых инструментов, можно своевременно устранить неисправность без посторонней помощи.
Дополнительную информацию для тех, кто хочет провести модели Ока ремонт своими руками, позволит получить вопрос, заданный на страницах портала. Наделенные опытом владельцы автомобиля или специалисты дадут исчерпывающий ответ, который поможет во время замены детали, диагностики или ремонта.
История модели ВАЗ 1111 «Ока»
Несмотря на то, что разработка модели началась еще в конце 70-х годов, производство модели Ока началось лишь в 1988-м году. Местом для сбора конструкции стал Елабужский завод легковых автомобилей. Вскоре производство было передано Серпуховскому АЗ и АвтоВАЗу.
В 1995-м году прекратилось производство Оки на Авто ВАЗе, но ЗМА и СеАЗ продолжили производство. Параллельно этому модель была усовершенствована путем установки нового типа двигателя – 33-сильного 2-х цилиндрового мотора с объемом 0,75 л (до этого был использован 2-х цилиндровый, 0,65 л и 29 л.с.). Новинка получила приставку к названию и** продавалась, как ВАЗ 11113**.
В 2006-м году по ряду причин производство ВАЗ 11113 было прекращено. Главной из них была нерентабельность работ, которые понадобились бы для того, чтобы двигатель автомобиля соответствовал новым стандартам Евро-2.
Однако новые владельцы СеАЗ нашли выход из сложившейся ситуации. Они снабдили автомобиль китайским 3-х цилиндровым инжекторным двигателем с рабочим объемом 1л и максимальной мощностью 53 л.с и 5-и ступенчатой коробкой передач. Новинка стала известна как СеАЗ 11116. Она получила массу модификаций, среди которых были автомобили для инвалидов, фургоны и даже универсалы.
В 2008-м году завод прекратил выпуск Оки, но через 5 лет заявил о том, что планирует крупные изменения в модели, которые будут представлены в 2020-м году.
Подробнее




















































